LEMON Manuals: Even more car manuals for everyone: 1960-2025
Home >> Isuzu >> 2003 >> Rodeo 2WD L4-2.2L >> Repair and Diagnosis >> Diagrams >> Exploded Views >> Automatic Transmission/Transaxle
April 5, 2026: LEMON Manuals is launched! Read the announcement.

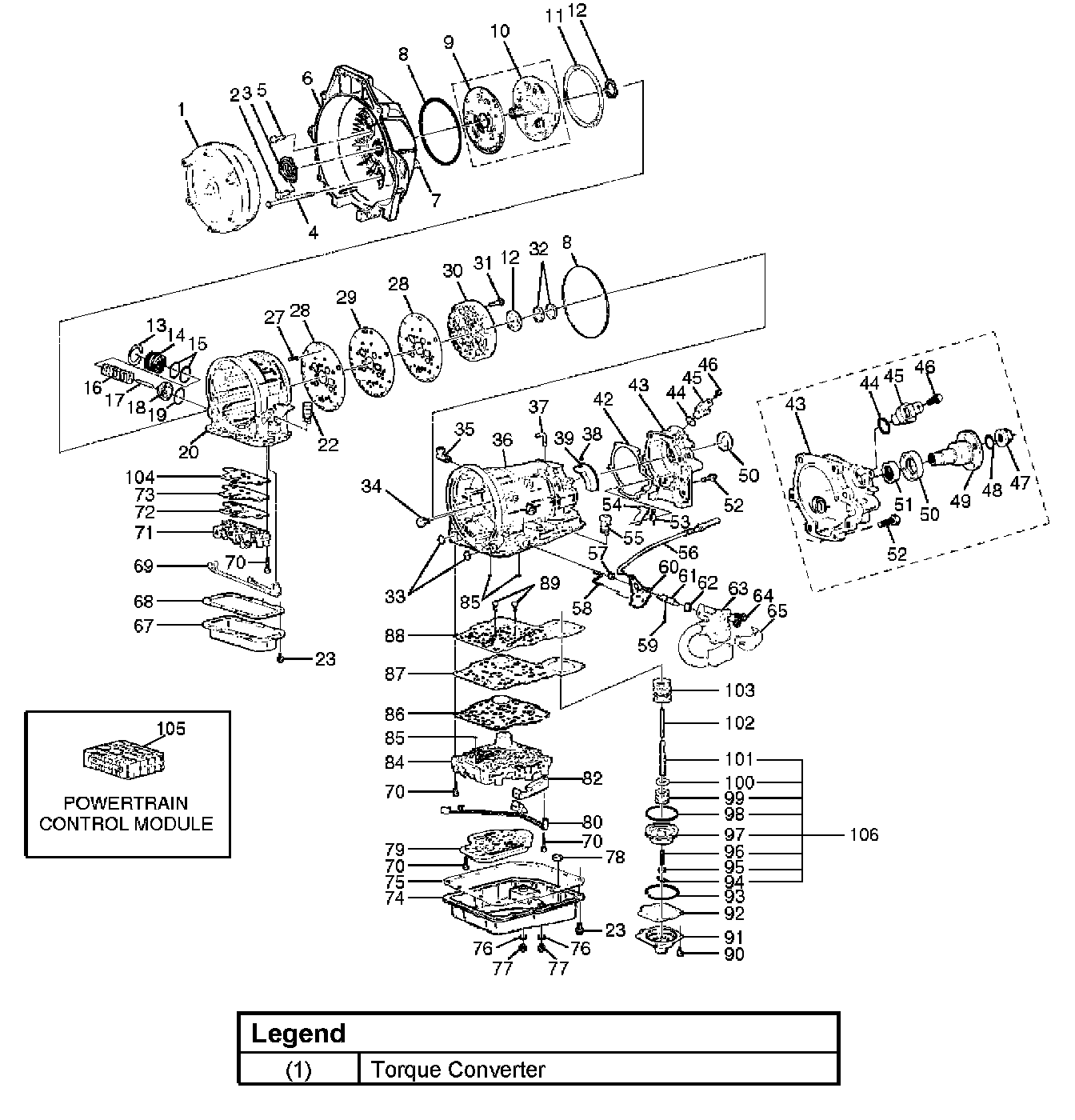
Automatic Transmission/Transaxle

Case and Associated Parts





1 of 4





2 of 4





3 of 4





4 of 4





Pump Assembly

Valve Body Assemblies





1 of 4





2 of 4





3 of 4





4 of 4

Overdrive Internal Components





1 of 2





2 of 2

Internal Components





1 of 4





2 of 4





3 of 4





Center Support Assembly