LEMON Manuals: Even more car manuals for everyone: 1960-2025
Home >> Isuzu >> 2006 >> i-280 L4-2.8L >> Repair and Diagnosis >> Powertrain Management >> Computers and Control Systems >> Accelerator Pedal Position Sensor >> Locations
April 5, 2026: LEMON Manuals is launched! Read the announcement.

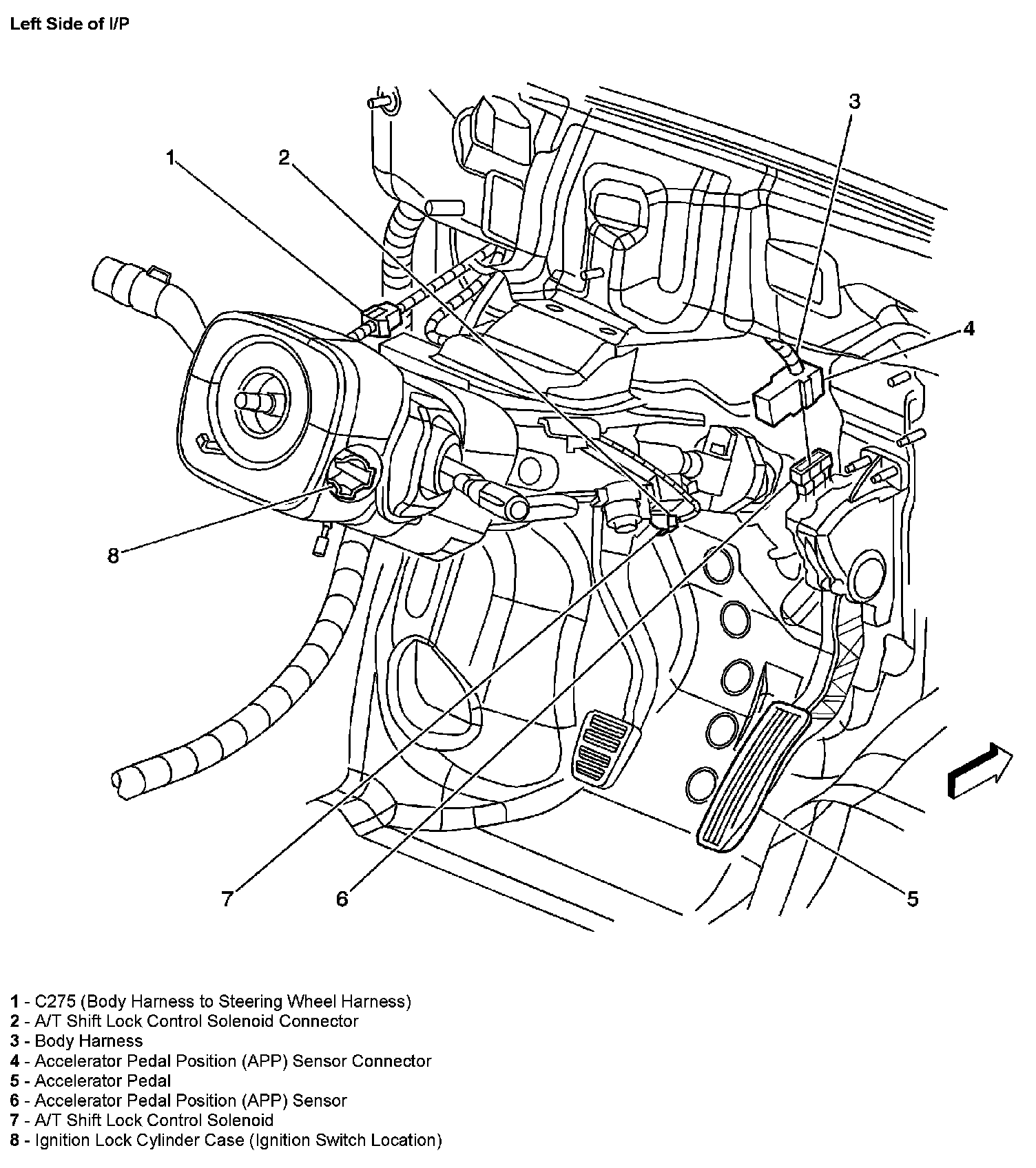
Accelerator Pedal Position Sensor: Locations

Left Side Of I/P: