LEMON Manuals: Even more car manuals for everyone: 1960-2025
Home >> Isuzu >> 2008 >> Ascender LS, RWD >> Repair and Diagnosis >> Accessories & Equipment >> Infotainment >> Cellular System, Entertainment System, And Navigation System >> Schematic & Routing Diagrams >> Radio/Navigation System Schematics
April 5, 2026: LEMON Manuals is launched! Read the announcement.

Radio/Navigation System Schematics

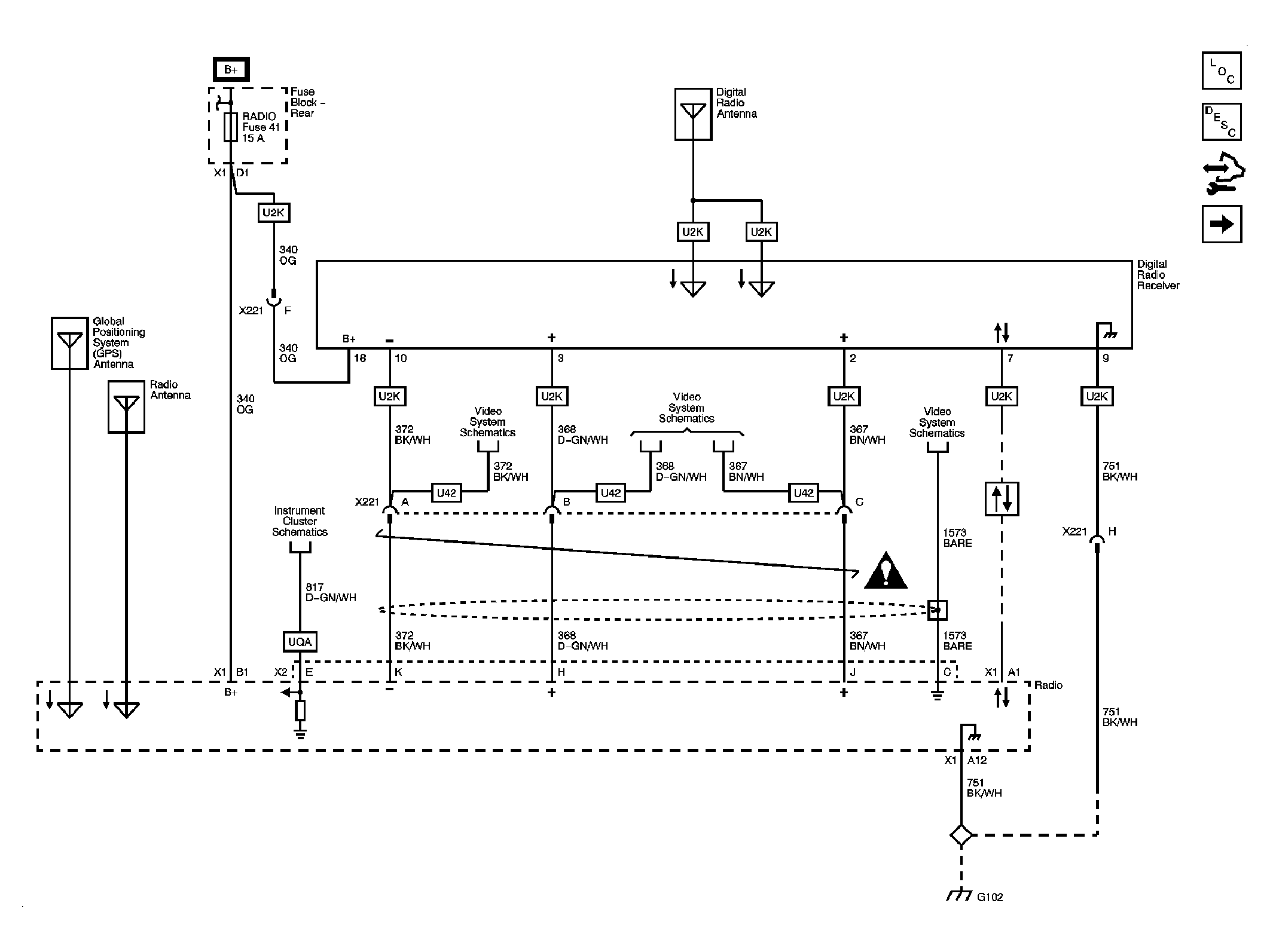
Fig 1: Power, Ground, Serial Data & Digital Radio Receiver Schematic
GM1923830Courtesy of GENERAL MOTORS CORP.
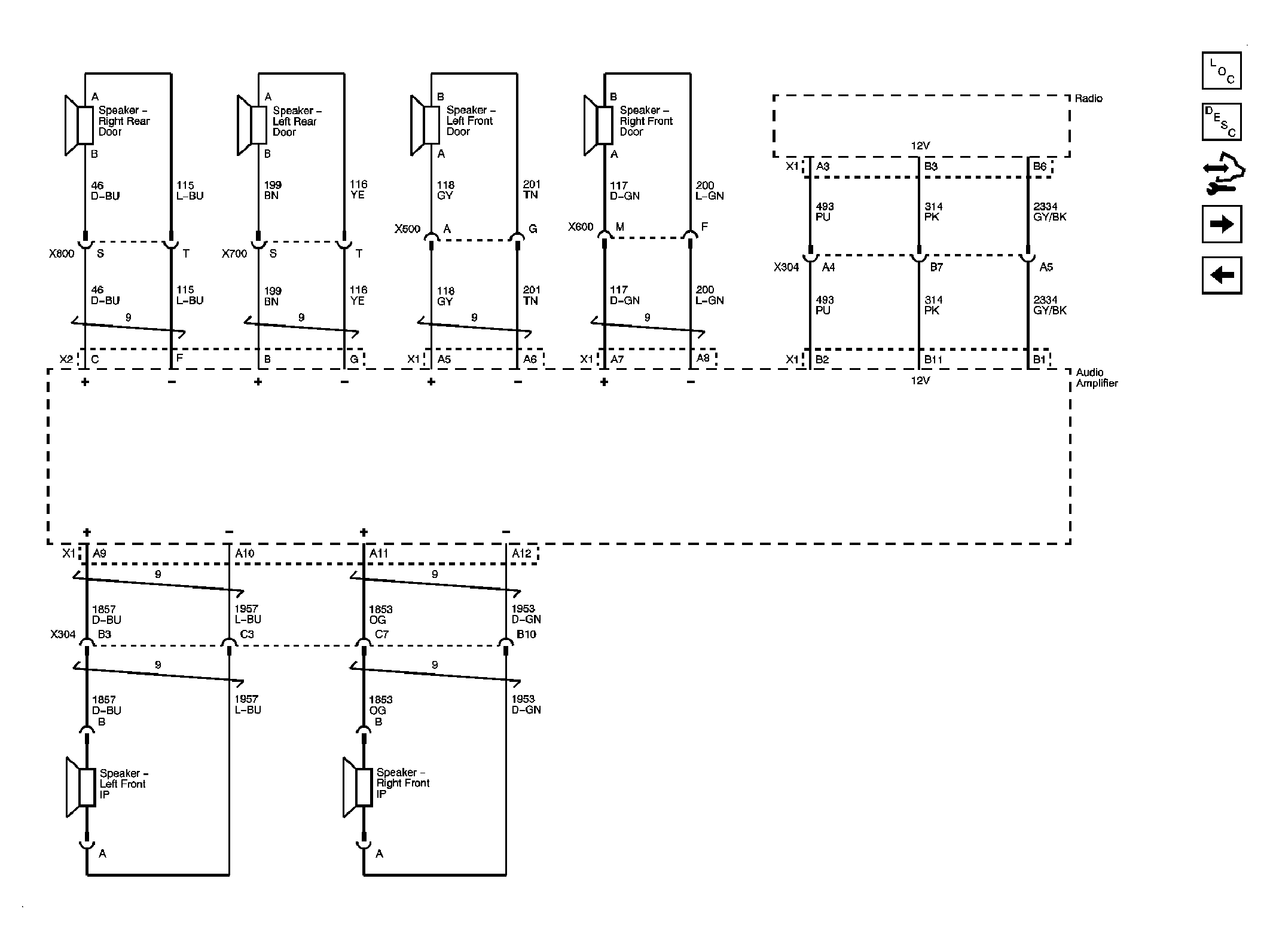
Fig 2: Base Radio - w/o Rear Seat Audio Controls Schematic
GM1923832Courtesy of GENERAL MOTORS CORP.
Fig 3: Base Radio - w/Rear Seat Audio Controls Schematic
GM1923835Courtesy of GENERAL MOTORS CORP.
Fig 4: Audio Amplifier Power, Grounds & Premium Radio Low Level Audio Outputs w/o Rear Seat Audio Controls Schematic
GM1923838Courtesy of GENERAL MOTORS CORP.
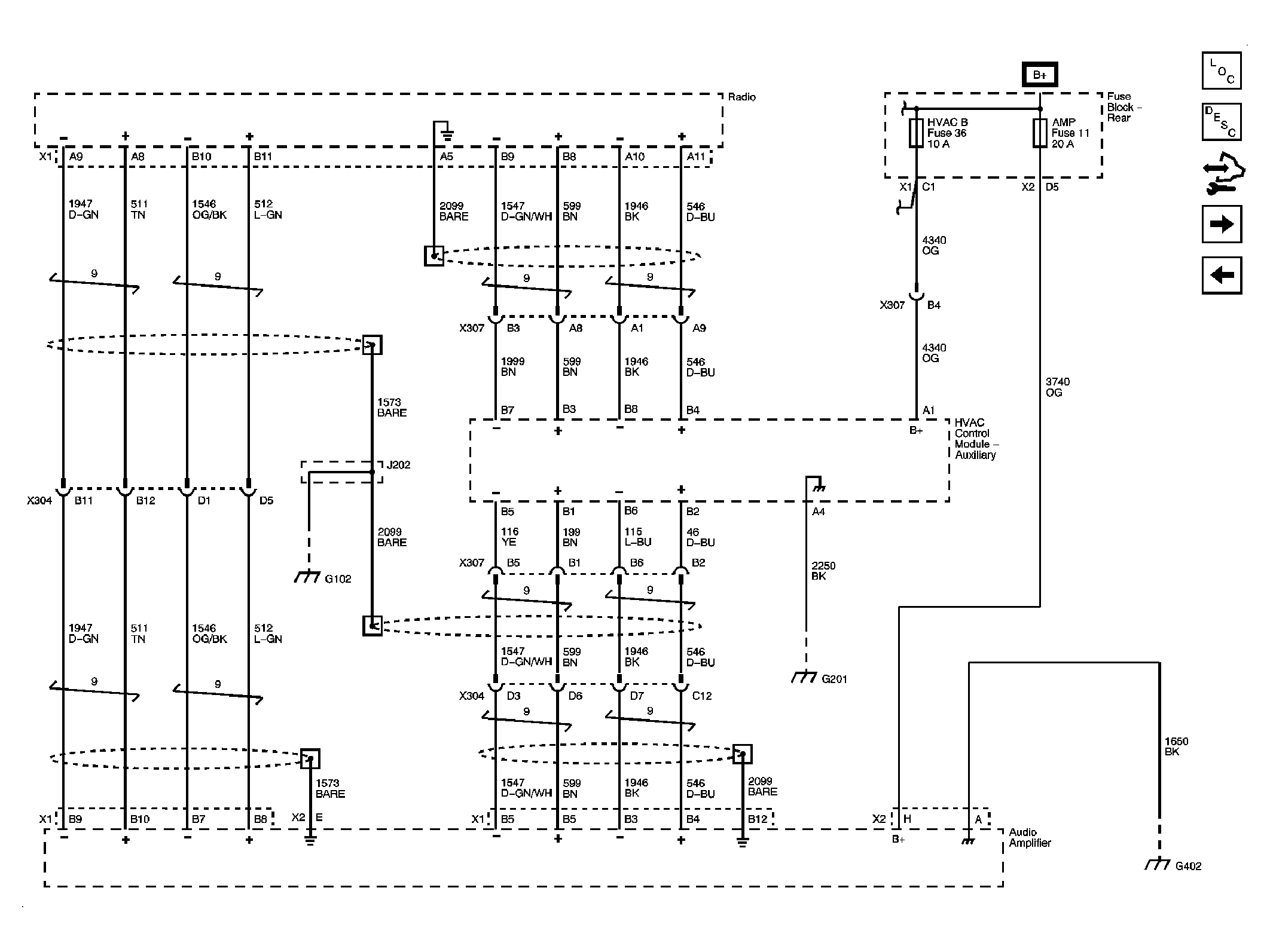
Fig 5: Audio Amplifier Power, Grounds & Premium Radio Low Level Audio Outputs w/Rear Seat Audio Controls Schematic
GM1923842Courtesy of GENERAL MOTORS CORP.
Fig 6: Premium Radio Amplifier Outputs Schematic
GM1923845Courtesy of GENERAL MOTORS CORP.
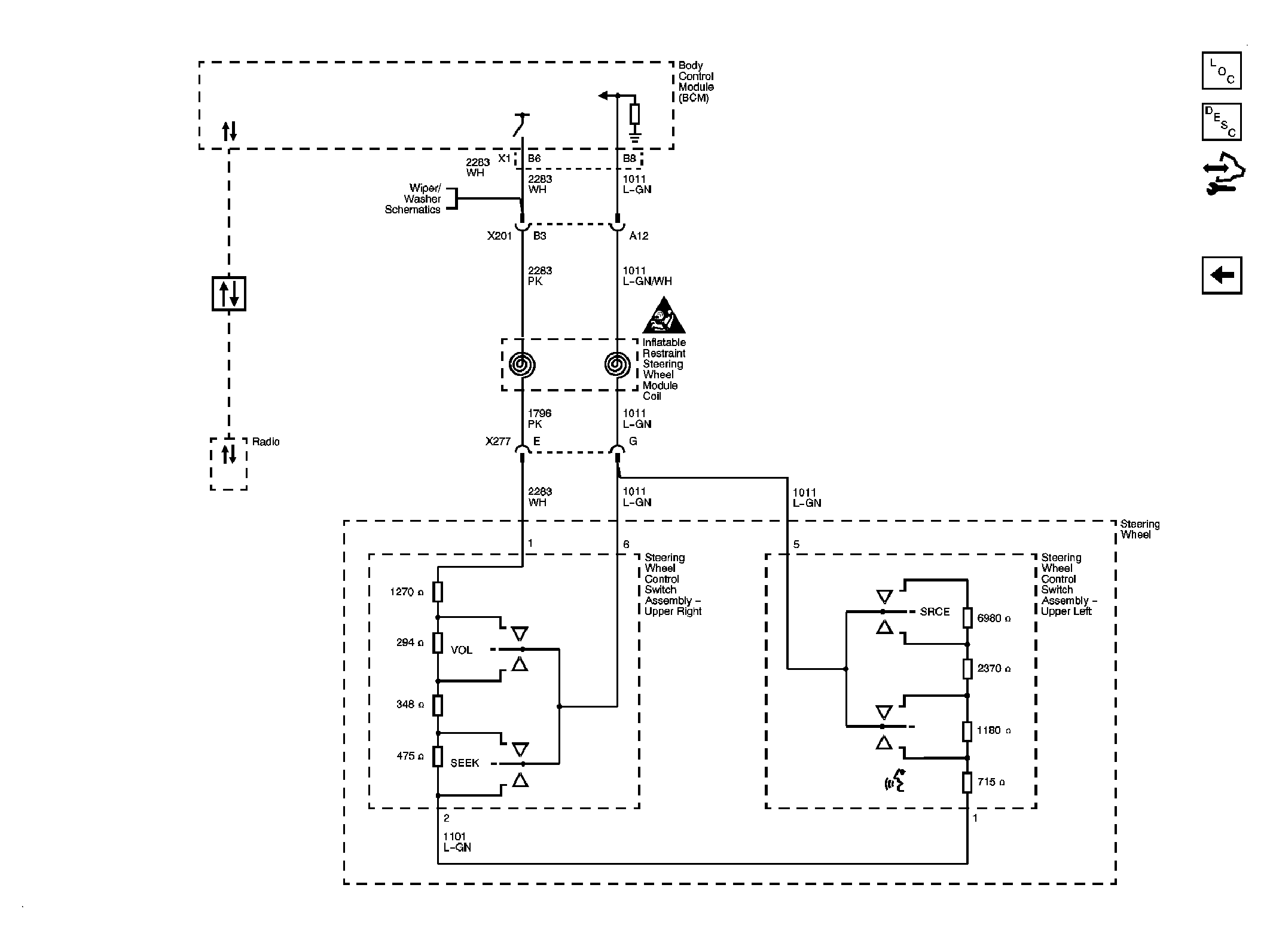
Fig 7: Steering Wheel Controls Schematic - STW
GM1923848Courtesy of GENERAL MOTORS CORP.