LEMON Manuals: Even more car manuals for everyone: 1960-2025
Home >> Jeep >> 1999 >> Cherokee 2WD L4-2.5L VIN P >> Repair and Diagnosis >> Powertrain Management >> Computers and Control Systems >> Engine Control Module >> Technical Service Bulletins >> Engine Controls/Fuel/Ignition Systems - Revisions
April 5, 2026: LEMON Manuals is launched! Read the announcement.

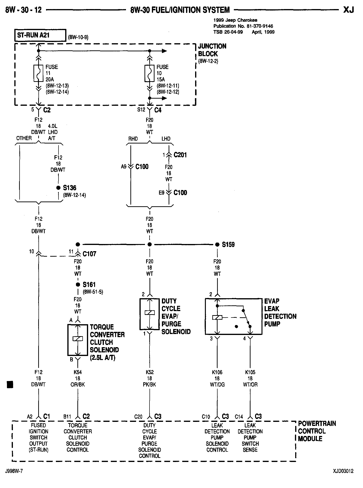
Engine Controls/Fuel/Ignition Systems - Revisions

NUMBER: 26-04-99D

GROUP: Miscellaneous

DATE: April, 1999

REVISIONS ARE HIGHLIGHTED WITH BLACK BARS IN THE MARGIN

Models:
1999 Cherokee Service Manual - Publication Number 81-370-9146

DESCRIPTION OF CHANGES

Revision to the Fuel and Ignition system wiring schematic





8W-30-12

Revision to the Powertrain Control Module connector pin-out





8W-80-62