LEMON Manuals: Even more car manuals for everyone: 1960-2025
Home >> Jeep >> 2000 >> TJ (CANADA) L4-2.5L >> Repair and Diagnosis >> Diagrams >> Electrical Diagrams >> Powertrain Management >> Computers and Control Systems >> Engine Control Module >> System Schematic
April 5, 2026: LEMON Manuals is launched! Read the announcement.

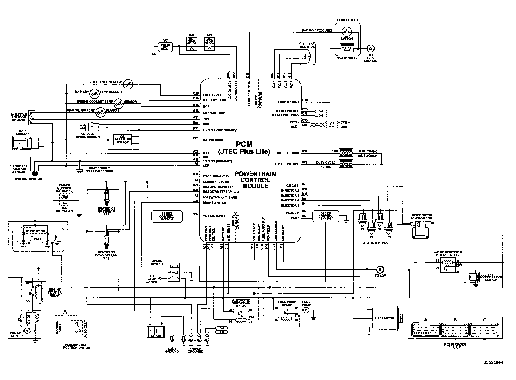
System Schematic

2000 Jeep TJ Jtec System: