LEMON Manuals: Even more car manuals for everyone: 1960-2025
Home >> Jeep >> 2000 >> TJ (CANADA) L4-2.5L >> Repair and Diagnosis >> Powertrain Management >> Relays and Modules - Powertrain Management >> Relays and Modules - Computers and Control Systems >> Engine Control Module >> Service and Repair
April 5, 2026: LEMON Manuals is launched! Read the announcement.

Engine Control Module: Service and Repair

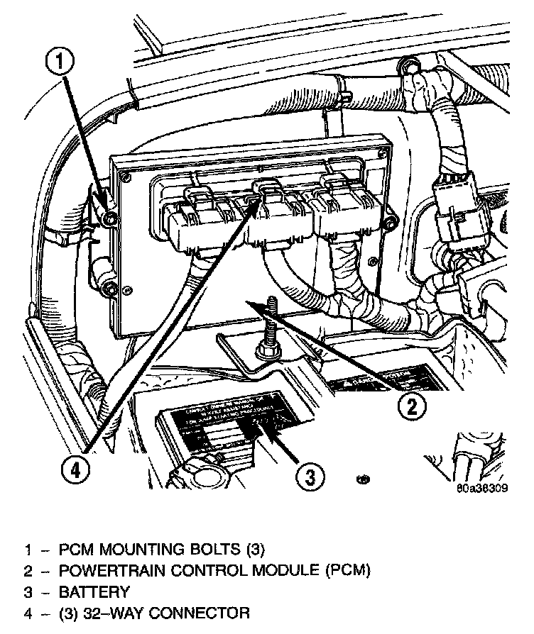
PCM Location:




The PCM is located in the engine compartment.

REMOVAL
To avoid possible voltage spike damage to the PCM, ignition key must be off, and negative battery cable must be disconnected before unplugging PCM connectors.

1. Disconnect negative battery cable at battery.
2. Remove plastic shield from over 32-way connectors. Shield snaps to connectors.
3. Carefully unplug three 32-way connectors from PCM.
4. Remove three PCM mounting bolts and remove PCM from vehicle.

INSTALLATION
1. Install PCM and mounting bolts to vehicle.
2. Tighten bolts to 4 N.m (35 in. lbs.).
3. Check pin connectors in PCM and three 32-way connectors for corrosion or damage. Also check pin heights in connectors. Pin heights should all be the same. Repair as necessary before installing 32-way connectors.
4. Install three 32-way connectors.
5. Install plastic shield to 32-way connectors. Shield snaps to connectors.
6. Install battery cable.
7. Use the DRB scan tool to reprogram new PCM with vehicles original Identification Number (VIN) and original vehicle mileage.