LEMON Manuals: Even more car manuals for everyone: 1960-2025
Home >> Jeep >> 2003 >> TJ (CANADA) L4-2.4L >> Repair and Diagnosis >> Powertrain Management >> Computers and Control Systems >> Relays and Modules - Computers and Control Systems >> Body Control Module >> Diagrams >> Electrical Diagrams
April 5, 2026: LEMON Manuals is launched! Read the announcement.

Electrical Diagrams

Airbag System:




Base Audio System:




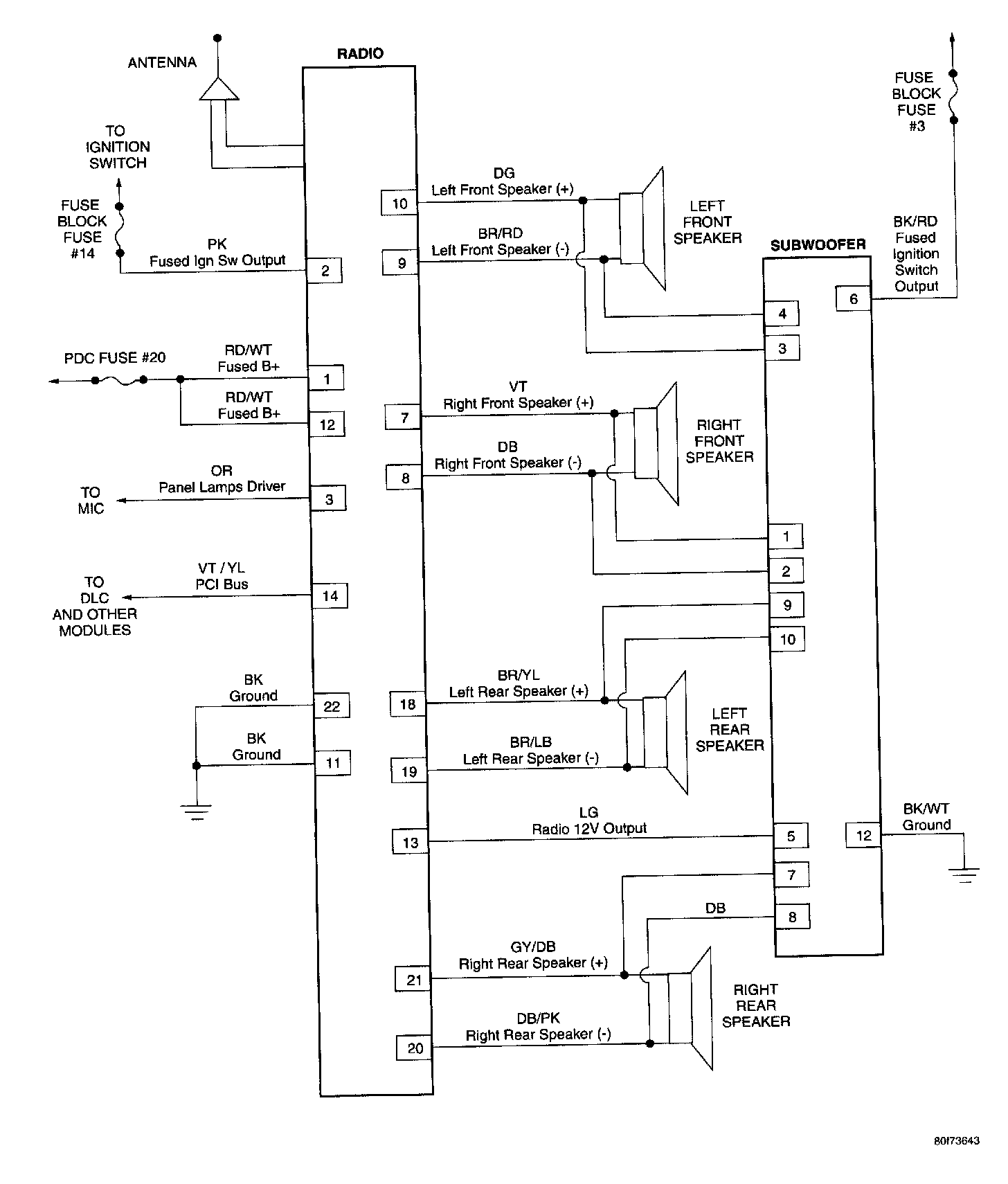
Premium Audio System:




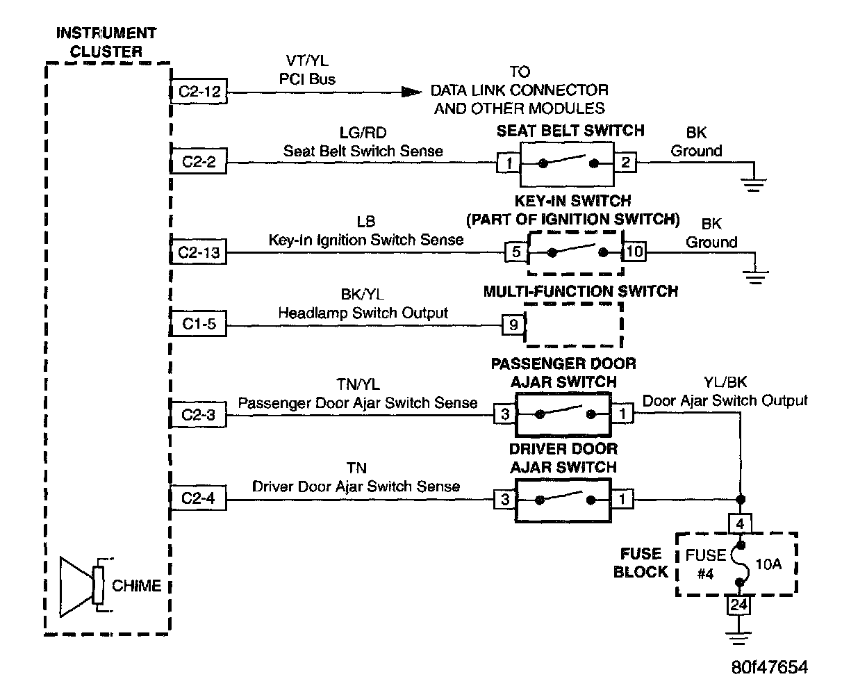
Chime System:




Compass/Temperature Mirror:




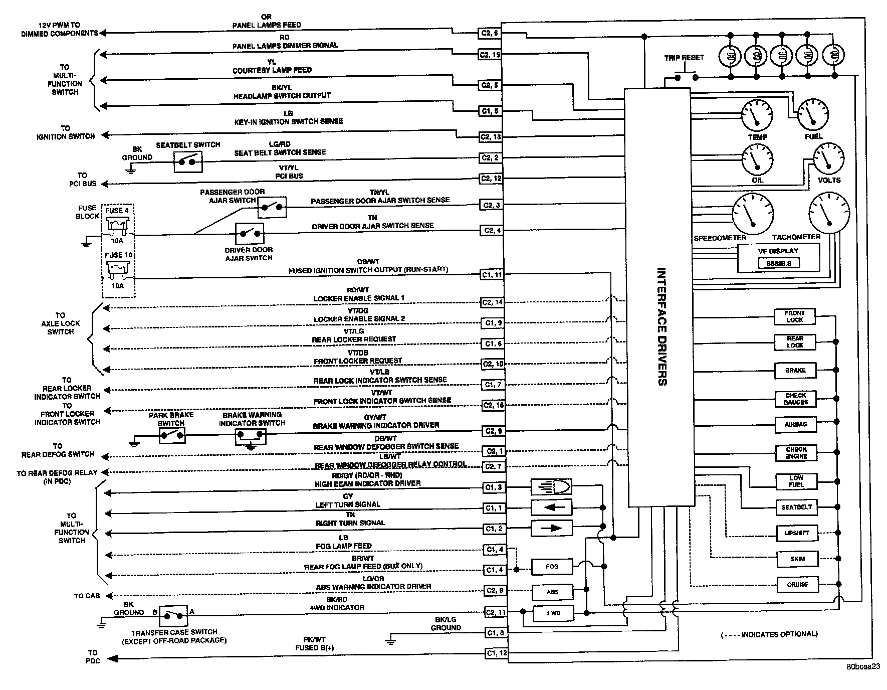
Instrument Cluster:




Instrument Cluster/Axle Locker System:




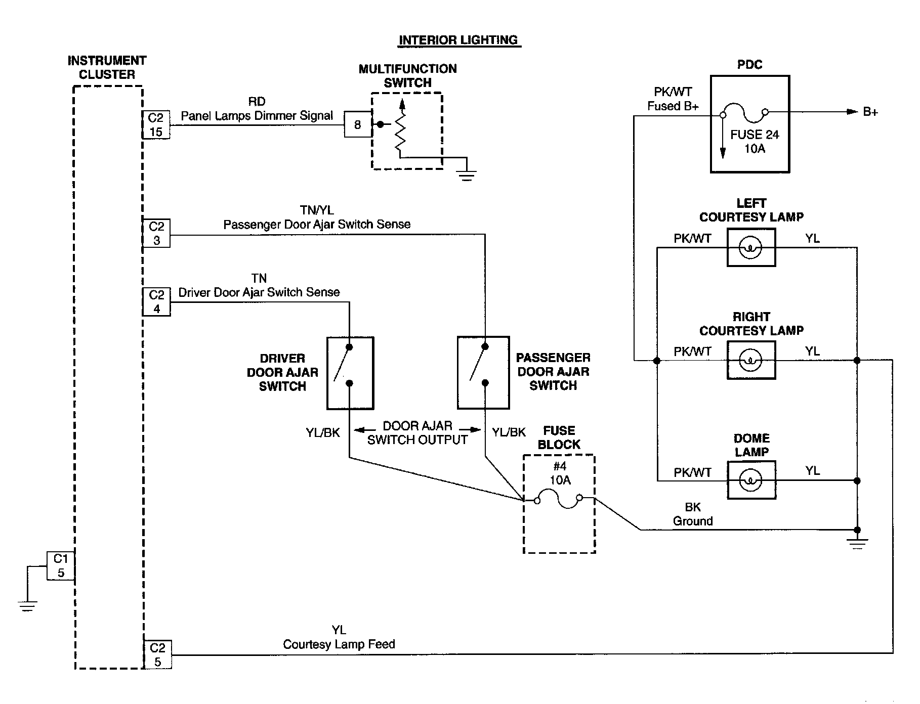
Interior Lighting:




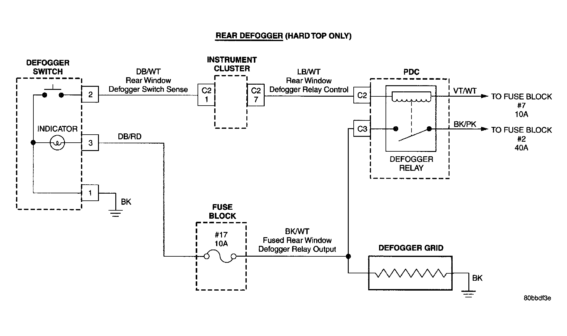
Rear Defogger:




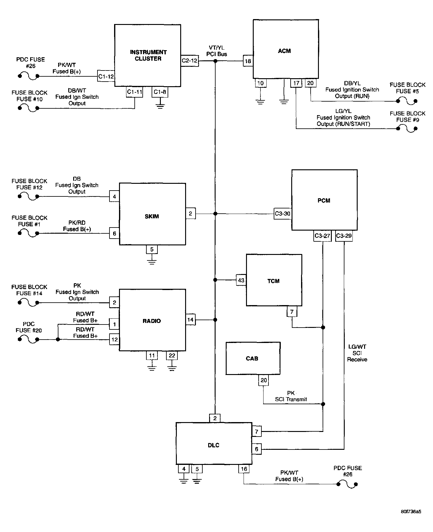
Vehicle Communications: