LEMON Manuals: Even more car manuals for everyone: 1960-2025
Home >> Jeep >> 2006 >> Commander 2WD V8-5.7L VIN 2 >> Repair and Diagnosis >> Starting and Charging >> Power and Ground Distribution >> Power Distribution Module >> Service and Repair >> Integrated Power Module (IPM)
April 5, 2026: LEMON Manuals is launched! Read the announcement.

Integrated Power Module (IPM)

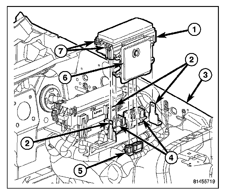
INTEGRATED POWER MODULE

REMOVAL




1. Disconnect and isolate the battery negative cable.
2. Remove the Integrated Power Module (IPM) cover by pulling up on the cover tabs (7) and pivoting the cover outward.




3. Remove the nut (2) from the IPM B+ terminal stud.
4. Remove the battery positive cable (3) from the IPM B+ terminal stud.




5. Using a suitable flat bladed tool, depress the three retaining clips and lift the IPM (1) straight up off of the bracket tabs (2).
6. Disconnect the two IPM connectors (4).
7. Disconnect the two Front Control Module (FCM) connectors (5).
8. Remove the IPM assembly from the vehicle.

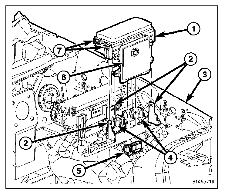
INSTALLATION

NOTE: If replacing the Integrated Power Module (IPM) (1) with a new assembly it will be necessary to transfer the circuit protection devices as well as the Front Control Module to the new IPM.




1. Position the IPM into the vehicle.
2. Connect the two Front Control Module (FCM) connectors (5).
3. Connect the two IPM connectors (4).
4. Position the IPM over the three bracket tabs (2) and apply downward pressure until the retaining clips snap into place securely.




5. Install the battery positive cable (3) to the IPM B+ terminal stud.
6. Install the nut (2) to the IPM B+ terminal stud. Tighten the nut to 11.5 N.m (105 in. lbs.).
7. Close the IPM cover ensuring the locking tabs snap firmly in place.
8. Connect the battery negative cable.