LEMON Manuals: Even more car manuals for everyone: 1960-2025
Home >> Jeep >> 2006 >> Commander 2WD V8-5.7L VIN 2 >> Repair and Diagnosis >> Wiper and Washer Systems >> Wiper Control Module >> Service and Repair
April 5, 2026: LEMON Manuals is launched! Read the announcement.

Wiper Control Module: Service and Repair

WIPER MODULE

REMOVAL




1. Disconnect and isolate the battery negative cable.
2. Remove both front wiper arms from the wiper pivots.
3. Remove the cowl plenum cover/grille panel from over the front wiper module.
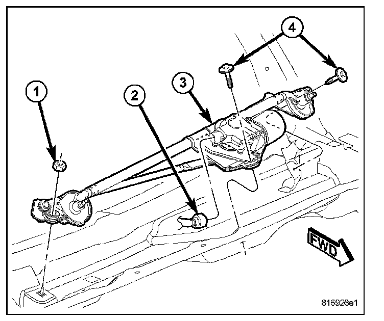
4. Remove the nut (1) that secures the inboard end of the front wiper module bracket (3) to the stud in the cowl plenum.
5. Remove the two screws (4) that secure the module bracket to the cowl plenum.
6. Disconnect the wire harness connector (2) from the connector receptacle for the front wiper motor.
7. Remove the front wiper module from the cowl plenum as a unit.

INSTALLATION




1. Position the front wiper module (3) into the cowl plenum as a unit.
2. Reconnect the wire harness connector (2) to the connector receptacle for the front wiper motor.
3. Position the mount on the inboard end of the wiper module bracket onto the stud within the cowl plenum.
4. Loosely install the nut (1) and the two screws (4) that secure the wiper module within the cowl plenum.
5. Working from left to right, tighten the two screws and the nut to 6 N.m (55 in. lbs.).
6. Reinstall the cowl plenum cover/grille panel over the front wiper module.
7. Reinstall both front wiper arms onto the wiper pivots.
8. Reconnect the battery negative cable.