LEMON Manuals: Even more car manuals for everyone: 1960-2025
Home >> Jeep >> 2006 >> Commander Base, 4.7 N, RWD >> Repair and Diagnosis (Single Page) >> Accessories & Equipment >> Communication Devices >> Electronic Control Modules - Electrical Diagnostics >> DTC Troubleshooting >> *No Response From ECM (Engine Control Module) - Diesel >> Circuit Schematic
April 5, 2026: LEMON Manuals is launched! Read the announcement.

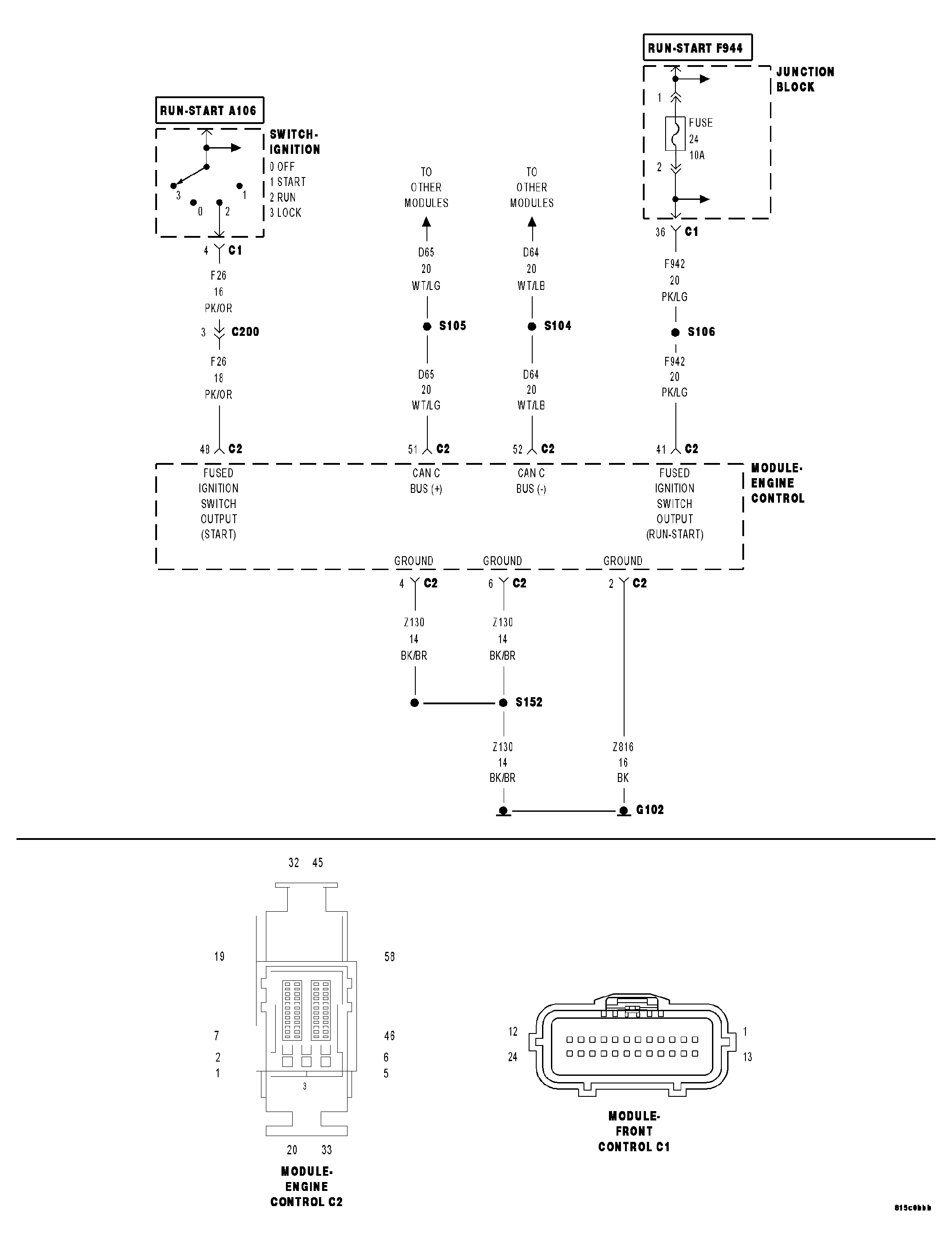
Circuit Schematic

Fig 1: Engine Control Module Power, Ground & Communication Circuits Schematic (Diesel)
GC0045362Courtesy of DAIMLERCHRYSLER CORP.