LEMON Manuals: Even more car manuals for everyone: 1960-2025
Home >> Jeep >> 2006 >> Commander Base, 4.7 N, RWD >> Repair and Diagnosis (Single Page) >> Accessories & Equipment >> Communication Devices >> Electronic Control Modules - Electrical Diagnostics >> DTC Troubleshooting >> U0193-Lost Communication With Traffic Information Receiver Module >> Circuit Schematic
April 5, 2026: LEMON Manuals is launched! Read the announcement.

Circuit Schematic

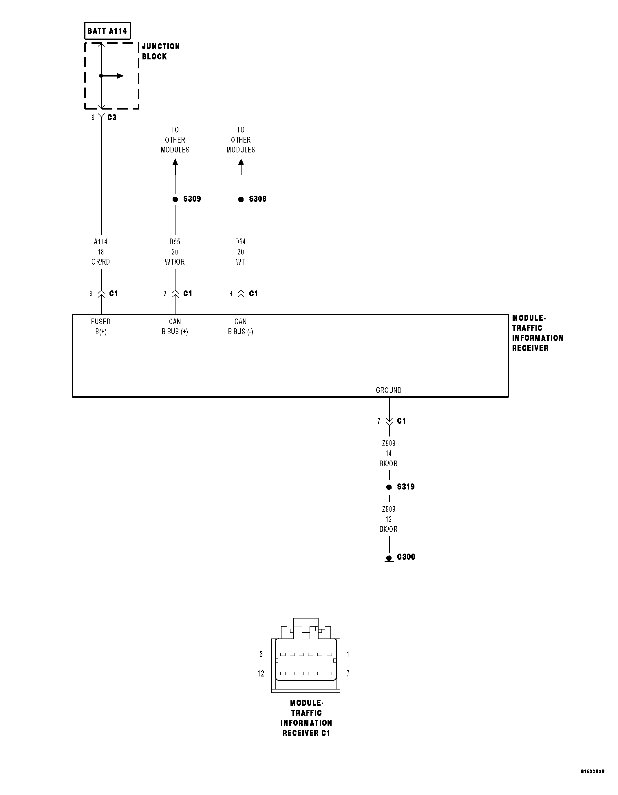
Fig 1: Traffic Information Receiver Module Power, Ground & Communication Circuits Schematic
GC0045343Courtesy of DAIMLERCHRYSLER CORP.