LEMON Manuals: Even more car manuals for everyone: 1960-2025
Home >> Jeep >> 2007 >> Commander Base, 3.7 K, 4WD >> Repair and Diagnosis (Single Page) >> Transmission >> Transmission Control Systems >> Nag1 Automatic Transmission - Electrical Diagnostics >> Nag1 - Electrical Diagnostics >> DTC Troubleshooting >> P0602-Control Module Programming Error/Not Programmed >> Circuit Schematic
April 5, 2026: LEMON Manuals is launched! Read the announcement.

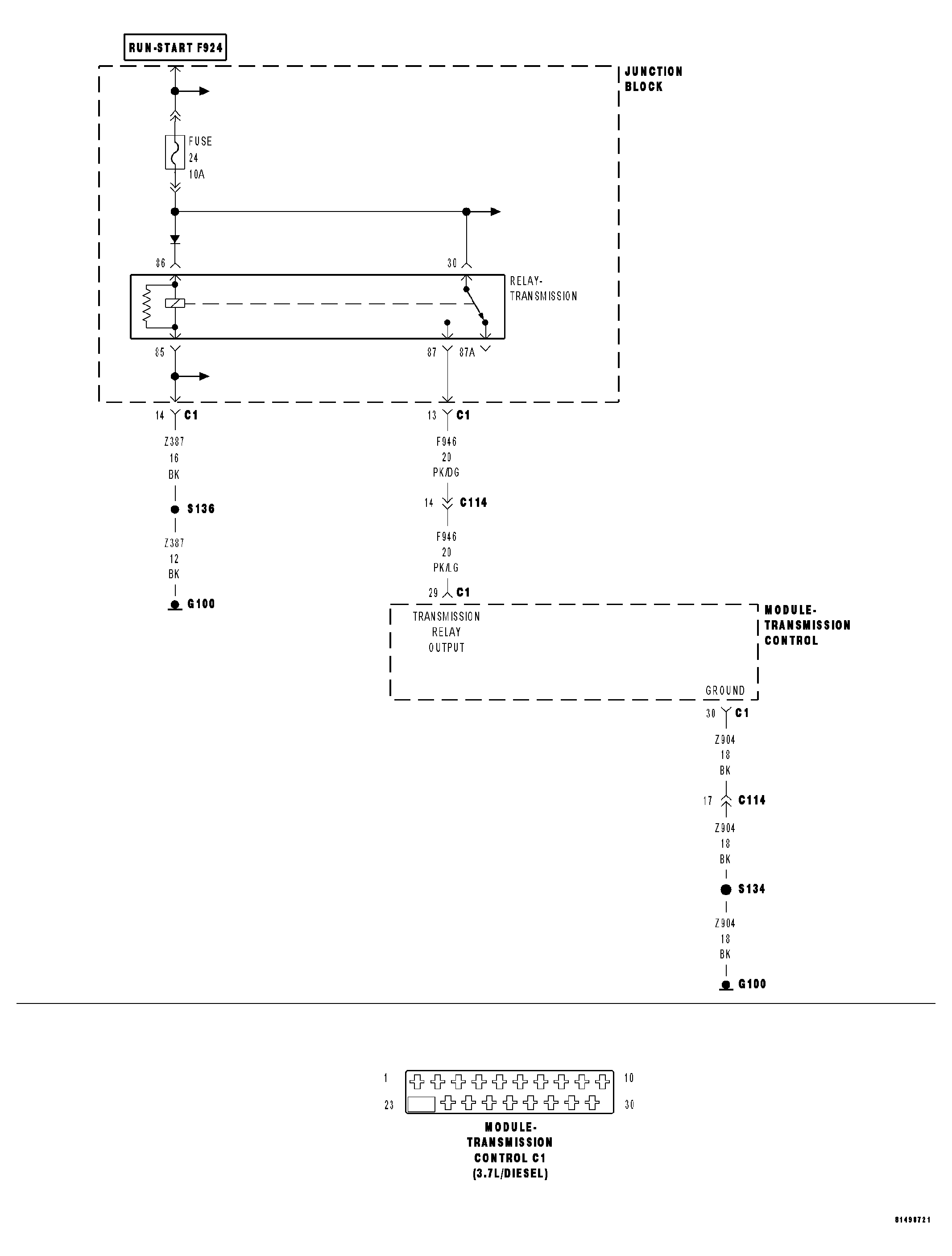
Circuit Schematic

Fig 1: Transmission Relay Output Circuit Schematic
GC0027359Courtesy of CHRYSLER LLC