LEMON Manuals: Even more car manuals for everyone: 1960-2025
Home >> Jeep >> 2007 >> Commander Base, 4.7 N, RWD >> Repair and Diagnosis (Single Page) >> Accessories & Equipment >> Communication Devices >> Electronic Control Modules - Electrical Diagnostics >> Electronic Control Modules - Electrical Diagnostics >> DTC Troubleshooting >> *No Response From PTS (Park Assist Module) >> Circuit Schematic
April 5, 2026: LEMON Manuals is launched! Read the announcement.

Circuit Schematic

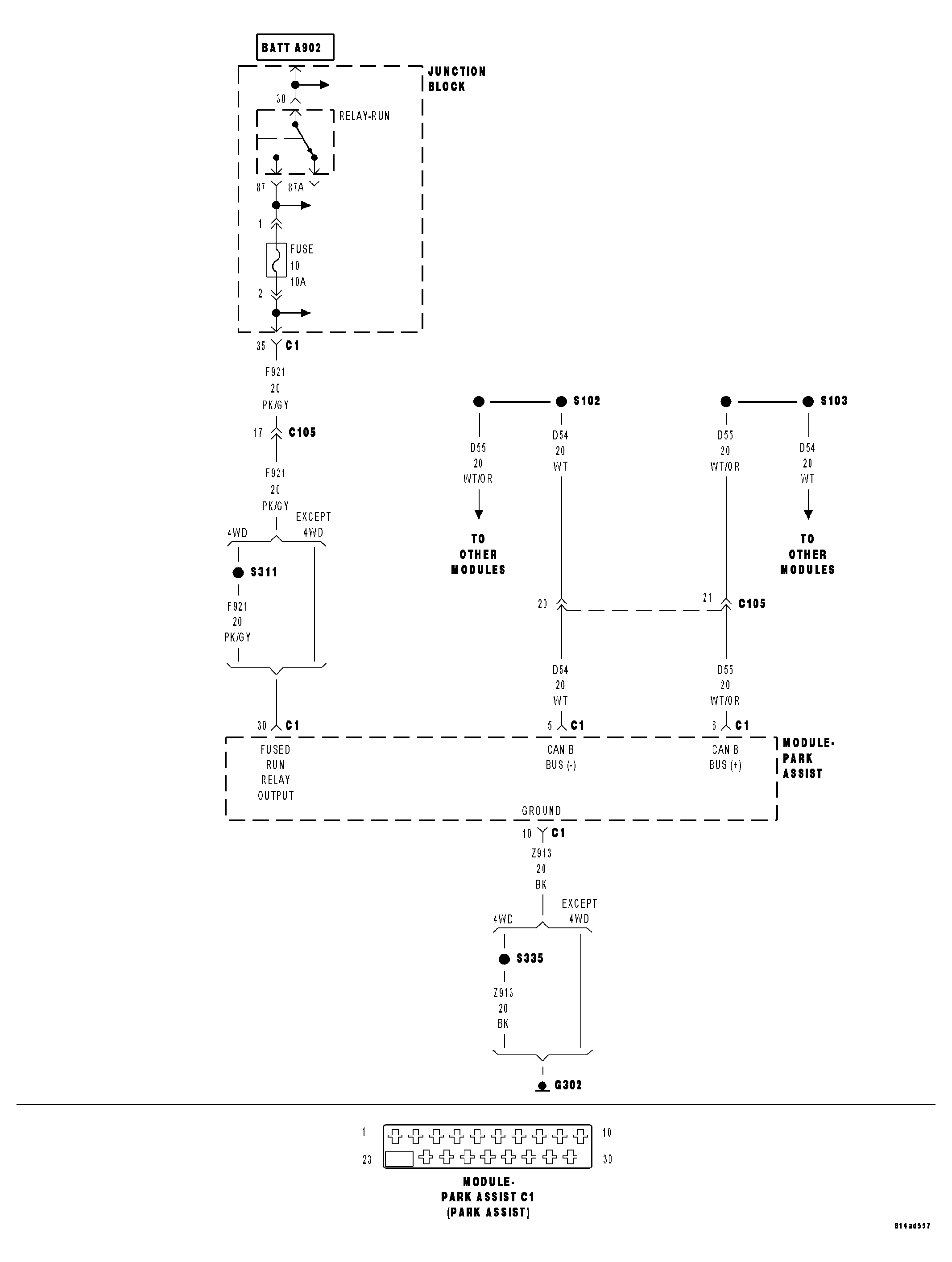
Fig 1: Park Assist Module Power, Ground & Communication Circuits Schematic
GC0027570Courtesy of CHRYSLER LLC