LEMON Manuals: Even more car manuals for everyone: 1960-2025
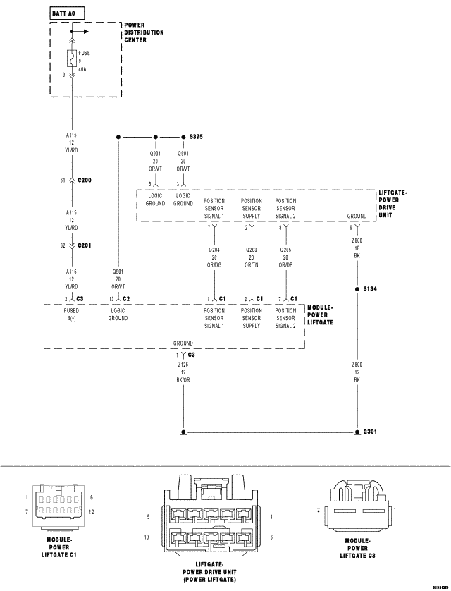
Home >> Jeep >> 2007 >> Commander Base, 4.7 P, AWD >> Repair and Diagnosis (Single Page) >> Accessories & Equipment >> Anti-Theft Systems >> Power Liftgate System - Electrical Diagnostics >> Power Liftgate - Electrical Diagnostics >> DTC Troubleshooting >> B1942-Power Liftgate Position Sensor 2 Circuit Performance >> Circuit Schematic
April 5, 2026: LEMON Manuals is launched! Read the announcement.

Circuit Schematic

Fig 1: Power Liftgate Position Sensor Circuit Schematic
GC0065089Courtesy of CHRYSLER LLC