LEMON Manuals: Even more car manuals for everyone: 1960-2025
Home >> Jeep >> 2007 >> Commander Base, 4.7 P, AWD >> Repair and Diagnosis (Single Page) >> Engine Performance >> System >> DTCS P0123 To P0174 >> P0174-Fuel System 2/1 Lean >> Circuit Schematic
April 5, 2026: LEMON Manuals is launched! Read the announcement.

Circuit Schematic

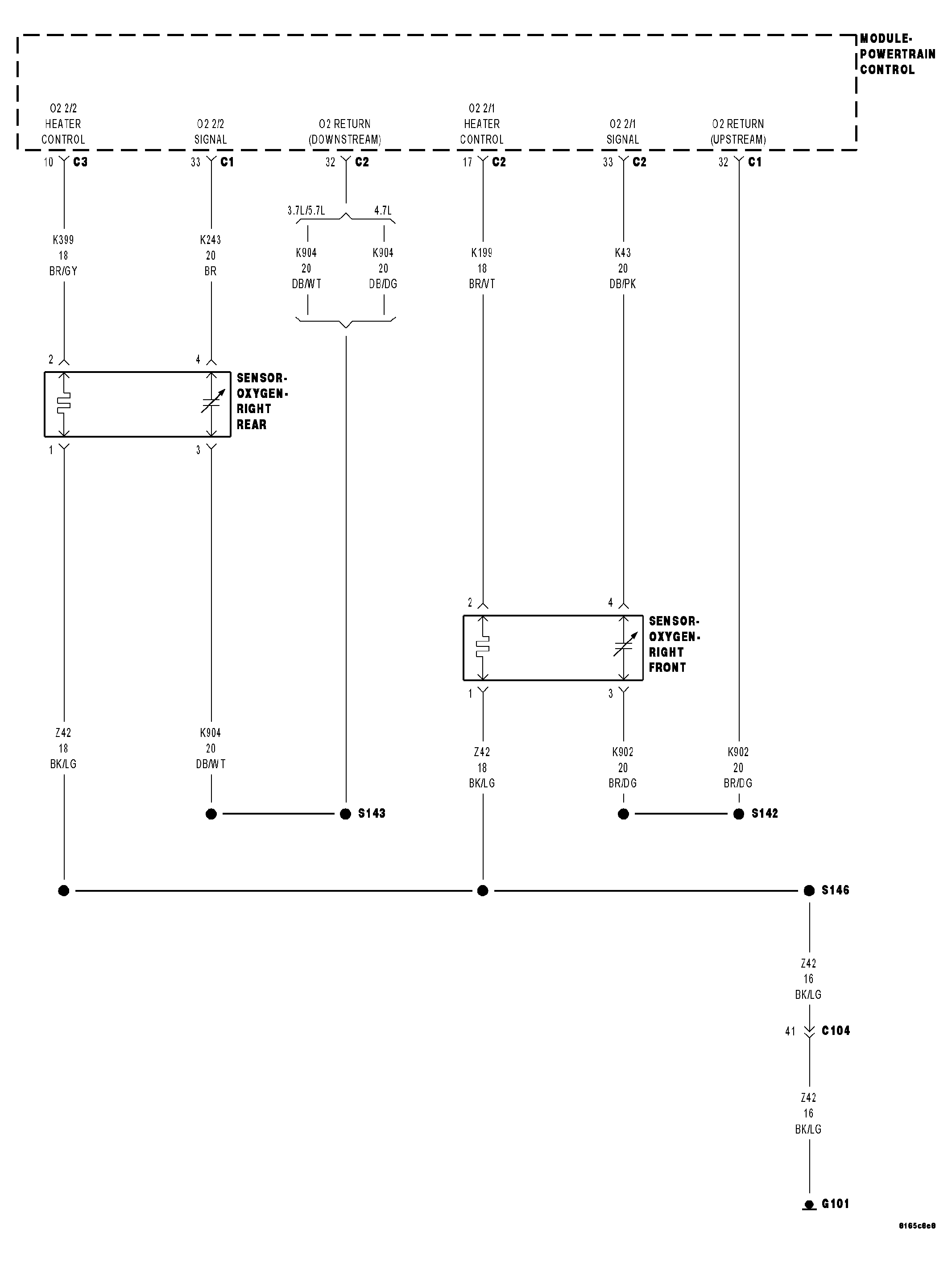
Fig 1: Right Front & Right Rear O2 Sensor Circuit Schematic
GC0044752Courtesy of CHRYSLER LLC