LEMON Manuals: Even more car manuals for everyone: 1960-2025
Home >> Jeep >> 2007 >> Commander Base, 4.7 P, AWD >> Repair and Diagnosis (Single Page) >> Engine Performance >> System >> DTCS P1602 To P2123 >> P2074-Map/TPS Correlation - High Airflow/Vacuum Leak Detected >> Circuit Schematic
April 5, 2026: LEMON Manuals is launched! Read the announcement.

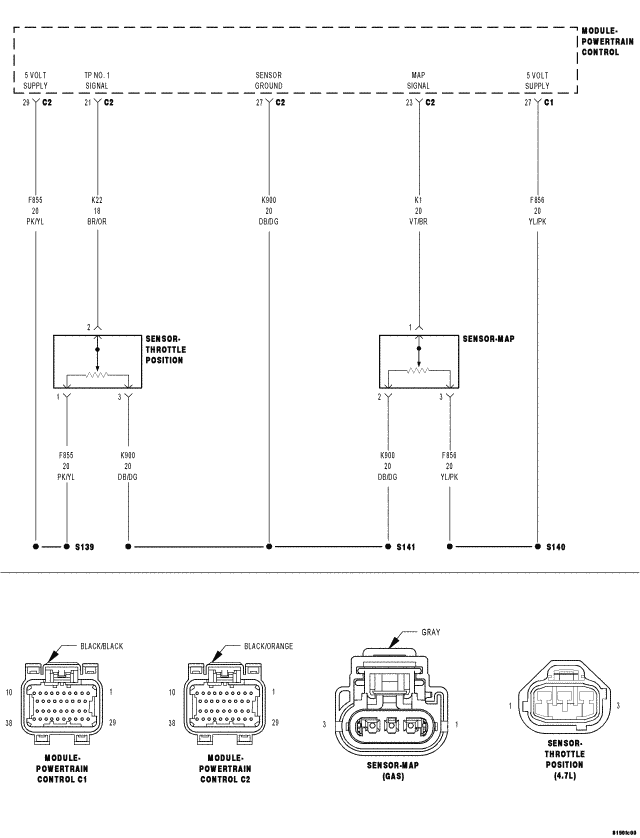
Circuit Schematic

Fig 1: MAP & Throttle Position Sensor Circuit Schematic
GC0058514Courtesy of CHRYSLER LLC