LEMON Manuals: Even more car manuals for everyone: 1960-2025
Home >> Jeep >> 2007 >> Commander Base, 4.7 P, AWD >> Repair and Diagnosis (Single Page) >> Engine Performance >> System >> DTCS P3400 To U1403 >> U1403-Implausible Fuel Level Signal Received >> Circuit Schematic
April 5, 2026: LEMON Manuals is launched! Read the announcement.

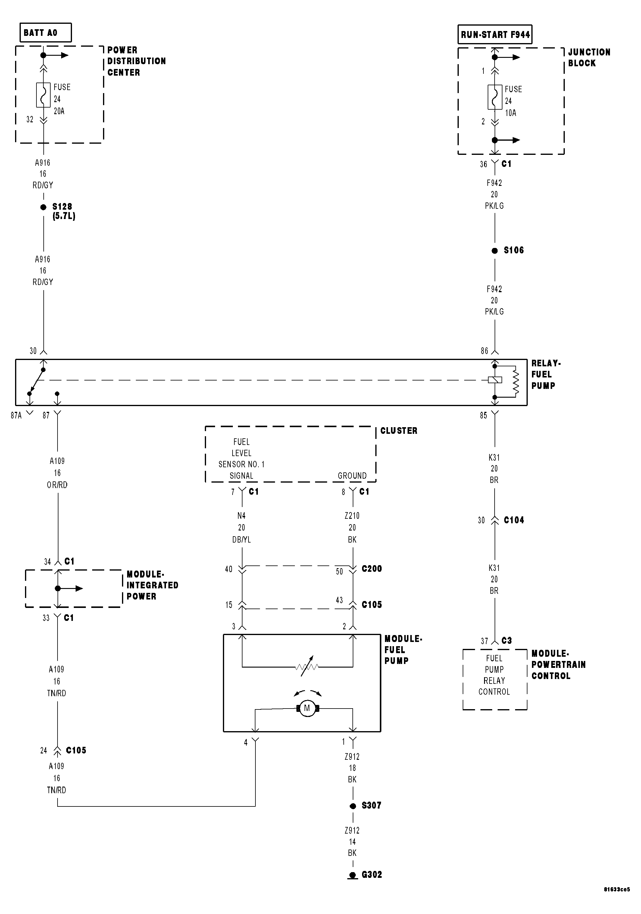
Circuit Schematic

Fig 1: Fuel Pump Module Circuit Schematic
GC0044770Courtesy of CHRYSLER LLC