LEMON Manuals: Even more car manuals for everyone: 1960-2025
Home >> Jeep >> 2007 >> Commander Base, 4.7 P, AWD >> Repair and Diagnosis (Single Page) >> Restraints >> Restraints Control Systems >> Air Bag Restraint System - Electrical Diagnostics >> Restraints - Electrical Diagnostics >> DTC Troubleshooting >> B1B1A-Left Side Curtain Squib 1 Circuit Open >> Diagnostic Test
April 5, 2026: LEMON Manuals is launched! Read the announcement.

Diagnostic Test

  1. 1) DETERMINE ACTIVE OR STORED DTC 
    NOTE: Ensure the battery is fully charged.
    NOTE: The scan tool, SRS Airbag Load Tool MRL 8443, and DVOM are required to perform the following test.

    Select Active or Stored DTC.

    Is the DTC active or stored? 

    ORC - ACTIVE DTC 

    1. Go to  2).

    ORC - STORED DTC 

    1. Go to  6).
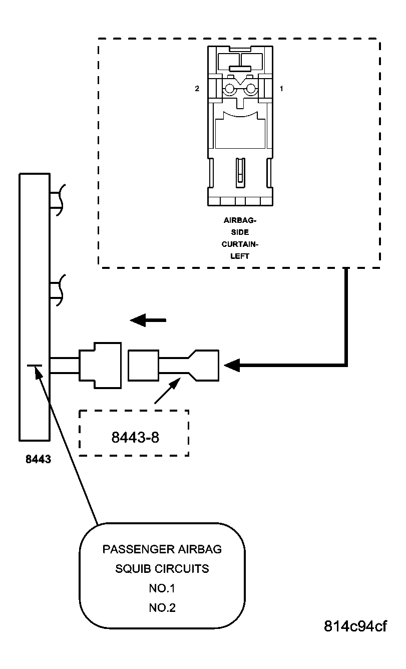
  2. 2) CHECK FOR OPEN SQUIB CIRCUITS IN LEFT SIDE CURTAIN AIRBAG 
    Fig 1: Checking Left Side Curtain Squib Circuits For Short
    GC0027656Courtesy of CHRYSLER LLC
    WARNING: To avoid serious or fatal injury, turn the ignition off, disconnect the battery and wait two minutes before proceeding.

    Disconnect the Left Side Curtain Airbag connector.

    WARNING: To avoid serious or fatal injury, do not place an intact undeployed curtain airbag face down on a hard surface, the airbag will propel into the air if accidentally deployed.
    NOTE: Check connectors - Clean and repair as necessary.

    Connect the 8443 Load Tool and appropriate Jumper to the Left Side Curtain Airbag connector.

    WARNING: To avoid serious or fatal injury, turn the ignition on, then reconnect the battery.

    With the scan tool, read the active ORC DTCs.

    Does the scan tool display: B1B1A-LEFT SIDE CURTAIN SQUIB 1 CIRCUIT OPEN? 

    Yes 

    1. Go to  3).

    No 

    1. Replace the Left Side Curtain Airbag in accordance with the Service Information.
    2. Perform *ORC VERIFICATION TEST - VER 1 .
  3. 3) CHECK (R3) LEFT CURTAIN SQUIB 1 LINE 1 CIRCUIT FOR AN OPEN 
    Fig 2: Checking Left Curtain Squib 1 Line 1 Circuit For Open
    GC0027659Courtesy of CHRYSLER LLC
    WARNING: To avoid serious or fatal injury, turn the ignition off, disconnect the battery and wait two minutes before proceeding.

    Disconnect the 8443 Load Tool and Jumper from the Left Side Curtain Airbag connector.

    Disconnect the ORC connectors.

    NOTE: Check connectors - Clean and repair as necessary.

    Connect the 8443 Load Tool ORC Adapter to the ORC C1 connector.

    Measure the resistance of the (R3) Left Curtain Squib 1 Line 1 circuit between the Left Side Curtain Airbag connector and the Load Tool ORC Adapter.

    Is the resistance below 1.0 ohm? 

    Yes 

    1. Go to  4).

    No 

    1. Repair the (R3) Left Curtain Squib 1 Line 1 circuit for an open.

      Perform *ORC VERIFICATION TEST - VER 1 .

  4. 4) CHECK (R1) LEFT CURTAIN SQUIB 1 LINE 2 CIRCUIT FOR AN OPEN 
    Fig 3: Checking Left Curtain Squib 1 Line 2 Circuit For Open
    GC0027660Courtesy of CHRYSLER LLC

    Measure the resistance of the (R1) Left Curtain Squib 1 Line 2 circuit between the Left Side Curtain Airbag connector and the Load Tool ORC Adapter.

    Is the resistance below 1.0 ohm? 

    Yes 

    1. Go to  5).

    No 

    1. Repair the (R1) Left Curtain Squib 1 Line 2 circuit for an open.
    2. Perform *ORC VERIFICATION TEST - VER 1 .
  5. 5) REPLACE THE ORC 
    WARNING: If the Occupant Restraint Controller (ORC) is dropped at any time, it must be replaced. Failure to take the proper precautions can result in accidental airbag deployment and serious or fatal injury.

    Repair 

    1. Replace the ORC in accordance with the Service Information.
    2. Perform *ORC VERIFICATION TEST - VER 1 .
  6. 6) STORED ORC DTC 

    With the scan tool, record and erase all DTCs from all Airbag System Modules.

    If any ACTIVE codes are present they must be resolved before diagnosing any stored codes.

    WARNING: To avoid serious or fatal injury, turn the ignition off, disconnect the battery and wait two minutes before proceeding.

    Using the wiring diagram/schematic as a guide, inspect the wiring and connectors.

    Look for chafed, pierced, pinched, or partially broken wires and broken, bent, pushed out, spread, corroded, or contaminated terminals.

    The following additional checks may assist you in identifying a possible intermittent problem.

    Reconnect any disconnected components and harness connector.

    WARNING: To avoid serious or fatal injury, turn the ignition on, then reconnect the battery.

    With the scan tool monitor active codes as you work through the following steps.

    Wiggle the wiring harness and connectors of the related airbag circuit or component.

    If codes are related to the Driver Airbag circuits, rotate the steering wheel from stop to stop.

    If only stored codes return continue the test until the problem area has been isolated.

    In the previous steps you have attempted to recreate the conditions responsible for setting active DTC in question.

    Are any ACTIVE DTCs present? 

    Yes 

    1. Select the appropriate diagnostic procedure from DIAGNOSTIC CODE INDEX  table.

    No 

    1. No problem found at this time. Erase all codes before returning vehicle to customer.