LEMON Manuals: Even more car manuals for everyone: 1960-2025
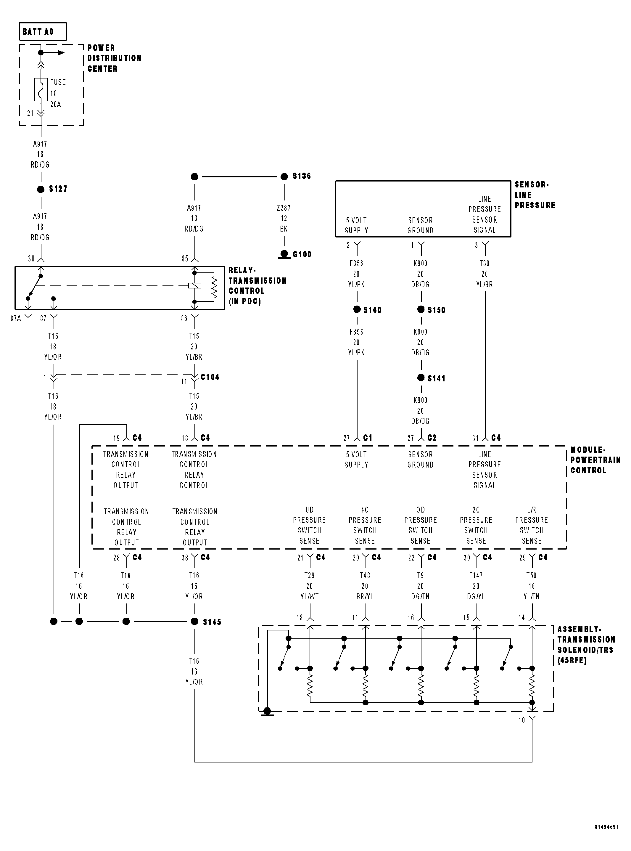
Home >> Jeep >> 2007 >> Commander Base, 4.7 P, AWD >> Repair and Diagnosis (Single Page) >> Transmission >> Transmission Control Systems >> 545RFE Automatic Transmission - Electrical Diagnostics >> Automatic Transmission 545RFE - Electrical Diagnostics >> DTC Troubleshooting >> P0934-Line Pressure Sensor Circuit Low >> Circuit Schematic
April 5, 2026: LEMON Manuals is launched! Read the announcement.

Circuit Schematic

Fig 1: Transmission Solenoid Assembly Pressure Switch Circuit Schematic
GC0027339Courtesy of CHRYSLER LLC