LEMON Manuals: Even more car manuals for everyone: 1960-2025
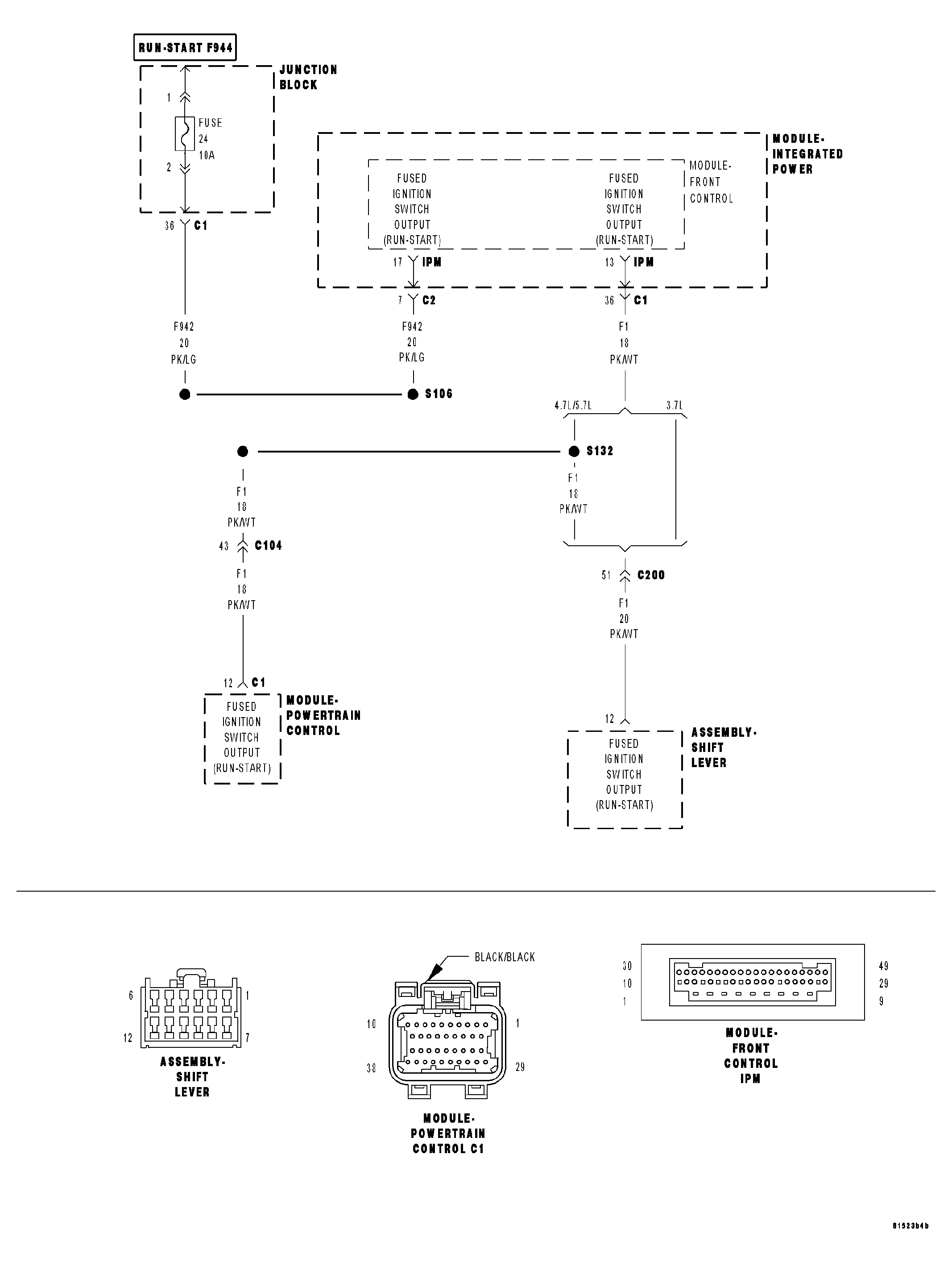
Home >> Jeep >> 2007 >> Commander Overland, 4WD >> Repair and Diagnosis (Single Page) >> Engine Performance >> Ignition System >> Ignition System - Electrical Diagnostics >> Ignition Systems - Electrical Diagnostics >> DTC Troubleshooting >> B2184-Ignition Unlock Run/Start Control Circuit Low >> Circuit Schematic
April 5, 2026: LEMON Manuals is launched! Read the announcement.

Circuit Schematic

Fig 1: Ignition Unlock Run/Start Control Circuit Schematic
GC0044483Courtesy of CHRYSLER LLC