LEMON Manuals: Even more car manuals for everyone: 1960-2025
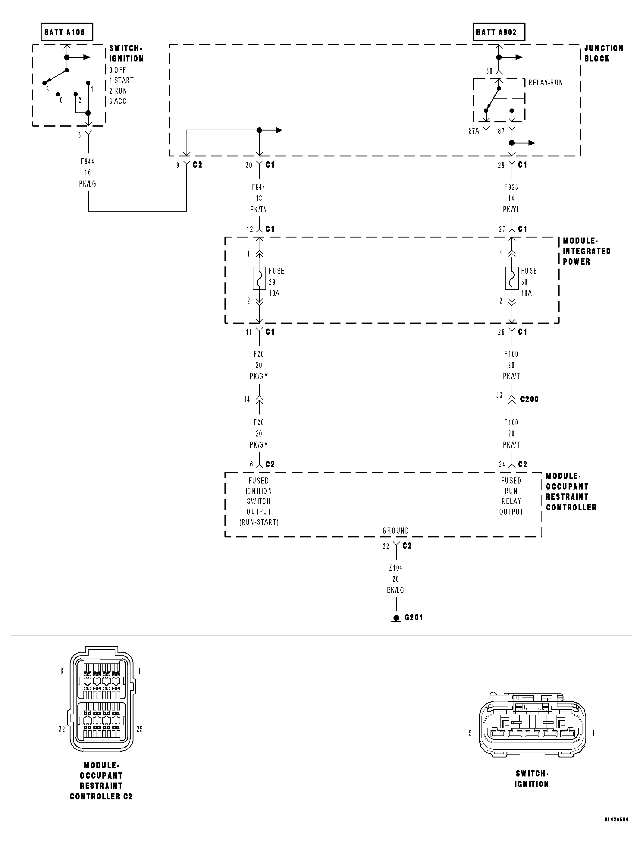
Home >> Jeep >> 2007 >> Commander Overland, 4WD >> Repair and Diagnosis (Single Page) >> Restraints >> Restraints Control Systems >> Air Bag Restraint System - Electrical Diagnostics >> Restraints - Electrical Diagnostics >> DTC Troubleshooting >> B212C-Ignition Run/Start Input Circuit Open >> Circuit Schematic
April 5, 2026: LEMON Manuals is launched! Read the announcement.

Circuit Schematic

Fig 1: Occupant Restraint Controller Power Feed (Ignition) Circuit Schematic
GC0027702Courtesy of CHRYSLER LLC