LEMON Manuals: Even more car manuals for everyone: 1960-2025
Home >> Jeep >> 2007 >> Compass Limited, AWD, Standard >> Repair and Diagnosis (Single Page) >> Restraints >> Restraints Control Systems >> DTCS B1B8E To B1C2B >> B1BAA-Occupant Classification Module Configuration Mismatch >> Circuit Schematic
April 5, 2026: LEMON Manuals is launched! Read the announcement.

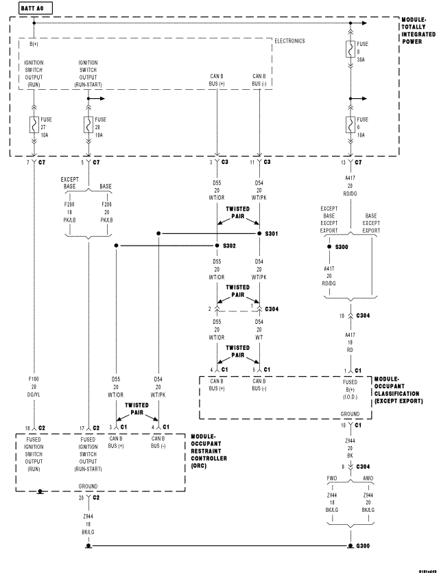
Circuit Schematic

Fig 1: Occupant Classification System Circuit Schematic
GC0050847Courtesy of CHRYSLER LLC