LEMON Manuals: Even more car manuals for everyone: 1960-2025
Home >> Jeep >> 2007 >> Compass Limited, FWD, Standard >> Repair and Diagnosis (Single Page) >> Engine Performance >> Ignition System >> Ignition Control - Electrical Diagnostics >> Ignition Control - Electrical Diagnostics >> DTC Troubleshooting >> B2148-Ignition Run Control 2 Circuit Low >> Circuit Schematic
April 5, 2026: LEMON Manuals is launched! Read the announcement.

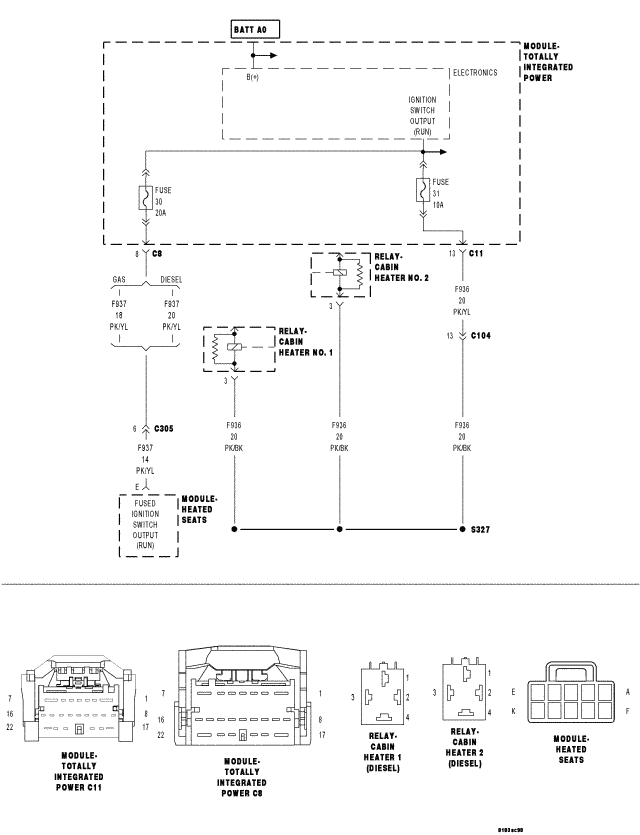
Circuit Schematic

Fig 1: Ignition Run Control 2 Circuit Schematic
GC0053373Courtesy of CHRYSLER LLC