LEMON Manuals: Even more car manuals for everyone: 1960-2025
Home >> Jeep >> 2008 >> Commander 2WD V6-3.7L >> Repair and Diagnosis >> Power and Ground Distribution >> Power Distribution Module >> Service and Repair >> Removal
April 5, 2026: LEMON Manuals is launched! Read the announcement.

Removal







REMOVAL





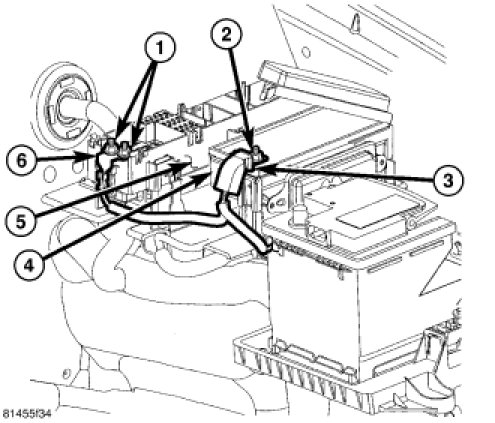
1. Disconnect and isolate the battery negative cable.
2. Remove the Integrated Power Module (IPM) cover by pulling up on the cover tabs (7) and pivoting the cover outward.




3. Remove the nut (2) from the IPM B+ terminal stud.
4. Remove the battery positive cable (3) from the IPM B+ terminal stud.




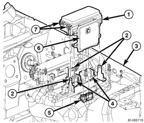
5. Using a suitable flat bladed tool, depress the three retaining clips and lift the IPM (1) straight up off of the bracket tabs (2).
6. Disconnect the two IPM connectors (4).
7. Disconnect the two Front Control Module (FCM) connectors (5).
8. Remove the IPM assembly from the vehicle.