LEMON Manuals: Even more car manuals for everyone: 1960-2025
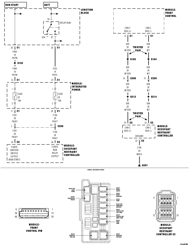
Home >> Jeep >> 2008 >> Commander Overland, 4WD >> Repair and Diagnosis (Single Page) >> Accessories & Equipment >> Communication Devices >> Electronic Control Modules - Electrical Diagnostics >> Electronic Control Modules - Electrical Diagnostics >> DTC Troubleshooting >> *No Response From Orc (Occupant Restraint Controller) >> Circuit Schematic
April 5, 2026: LEMON Manuals is launched! Read the announcement.

Circuit Schematic

Fig 1: Occupant Restraint Controller - Power, Ground & Communication Circuits Schematic
GC0071806Courtesy of CHRYSLER LLC