LEMON Manuals: Even more car manuals for everyone: 1960-2025
Home >> Jeep >> 2008 >> Compass Limited, AWD, Standard >> Repair and Diagnosis (Single Page) >> Accessories & Equipment >> Communication Devices >> Electronic Control Modules - Electrical Diagnostics >> Electronic Control Modules - Electrical Diagnostics >> DTC Troubleshooting >> *No Response From HFM (Hands Free Module) >> Circuit Schematic
April 5, 2026: LEMON Manuals is launched! Read the announcement.

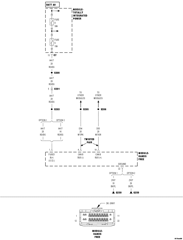
Circuit Schematic

Fig 1: Hands Free Module Circuit Schematic
GC0053259Courtesy of CHRYSLER LLC