LEMON Manuals: Even more car manuals for everyone: 1960-2025
Home >> Jeep >> 2008 >> Compass Limited, FWD, Standard >> Repair and Diagnosis (Single Page) >> Accessories & Equipment >> Communication Devices >> Electronic Control Modules - Electrical Diagnostics >> Electronic Control Modules - Electrical Diagnostics >> DTC Troubleshooting >> *No Response From Pcm (Powertrain Control Module) >> Circuit Schematic
April 5, 2026: LEMON Manuals is launched! Read the announcement.

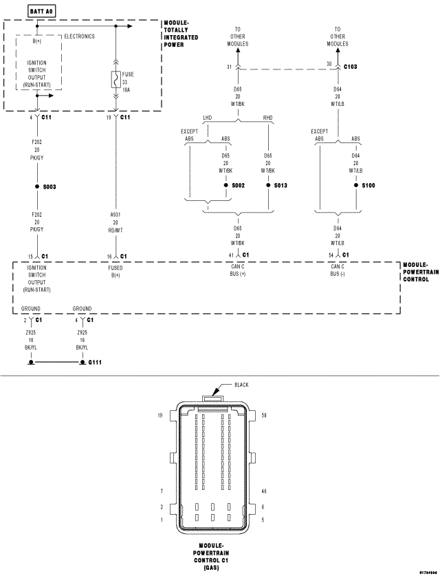
Circuit Schematic

Fig 1: PCM Circuit Schematic
GC0053275Courtesy of CHRYSLER LLC