LEMON Manuals: Even more car manuals for everyone: 1960-2025
Home >> Jeep >> 2009 >> Commander Overland, 4WD >> Repair and Diagnosis (Single Page) >> Accessories & Equipment >> Anti-Theft Systems >> Power Liftgate Module (PLGM) - Electrical Diagnostics >> DTC Troubleshooting >> B194F-Power Liftgate Temperature Sensor Circuit Performance >> Circuit Schematic
April 5, 2026: LEMON Manuals is launched! Read the announcement.

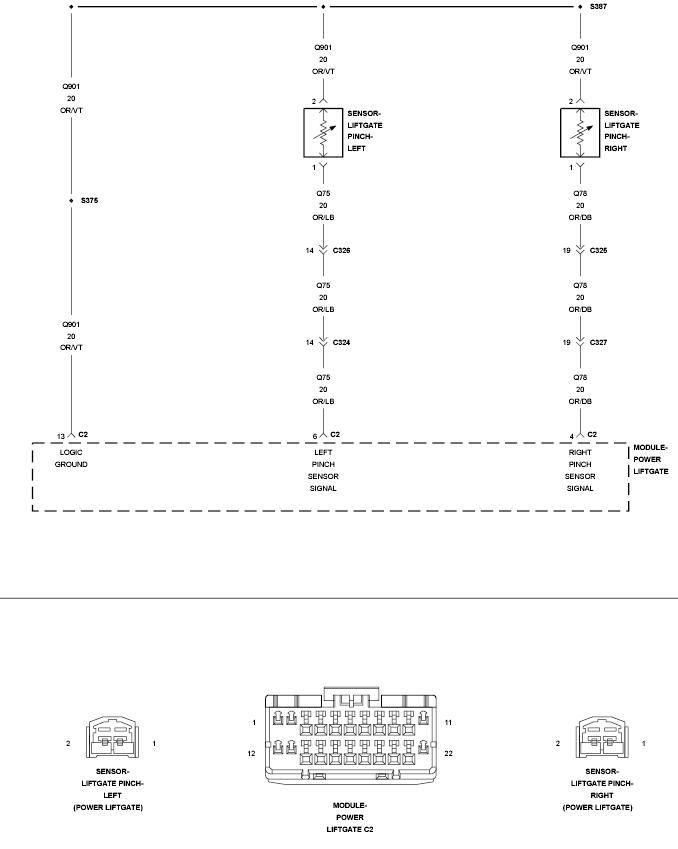
Circuit Schematic

Fig 1: Left Pinch Sensor Signal Circuit Schematic
GC0132627Courtesy of CHRYSLER LLC