LEMON Manuals: Even more car manuals for everyone: 1960-2025
Home >> Jeep >> 2009 >> Commander Overland, 4WD >> Repair and Diagnosis (Single Page) >> Body & Frame >> Windows >> Driver Door Module (DDM) - Electrical Diagnostics >> DTC Troubleshooting >> B1D0A-Driver Mirror Position Sensor Power Supply Circuit High >> Circuit Schematic
April 5, 2026: LEMON Manuals is launched! Read the announcement.

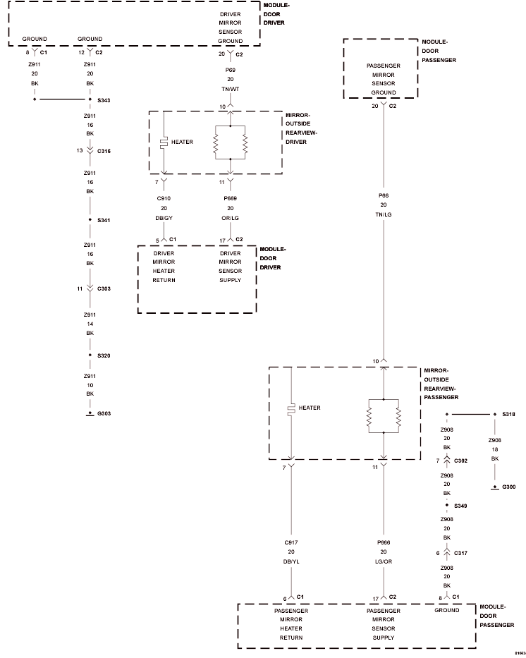
Circuit Schematic

Fig 1: Mirror Heater Sensor Supply/Return Circuit Schematic
GC0119869Courtesy of CHRYSLER LLC