LEMON Manuals: Even more car manuals for everyone: 1960-2025
Home >> Jeep >> 2009 >> Commander Overland, RWD >> Repair and Diagnosis (Single Page) >> Accessories & Equipment >> Anti-Theft Systems >> Power Liftgate Module (PLGM) - Electrical Diagnostics >> DTC Troubleshooting >> B18E3-Power Liftgate Front Zone Switch Circuit Low >> Circuit Schematic
April 5, 2026: LEMON Manuals is launched! Read the announcement.

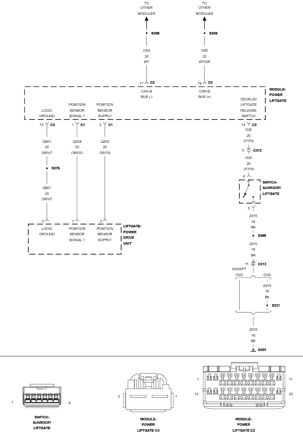
Circuit Schematic

Fig 1: Liftgate Switch Sense Circuit Schematic
GC0132638Courtesy of CHRYSLER LLC