LEMON Manuals: Even more car manuals for everyone: 1960-2025
Home >> Jeep >> 2009 >> Commander Overland, RWD >> Repair and Diagnosis (Single Page) >> Accessories & Equipment >> Anti-Theft Systems >> Vehicle Theft Security System (Service Information) >> SENSOR, Intrusion Module >> Installation >> Receiver
April 5, 2026: LEMON Manuals is launched! Read the announcement.

SENSOR, Intrusion Module: Installation: Receiver

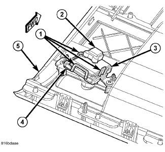
Fig 1: Remove/Install Receiver
GC0132189Courtesy of CHRYSLER LLC
  1. Position the intrusion sensor receiver (3) to the mounting bracket (4) on the left rear corner of the overhead console housing (5).
  2. Press the receiver down until the three latch features (1) of the bracket are fully engaged.
  3. Reconnect the take out of the overhead wire harness to the connector receptacle (2) on the forward end of the receiver housing.
  4. Reinstall the overhead console onto the headliner. Refer to Electrical - Message Systems/Overhead Console - Installation .
  5. Reconnect the battery negative cable.