LEMON Manuals: Even more car manuals for everyone: 1960-2025
Home >> Jeep >> 2009 >> Commander Overland, RWD >> Repair and Diagnosis (Single Page) >> Accessories & Equipment >> Wiper/Washer Systems >> Front Control Module (FCM) - Electrical Diagnostics >> DTC Troubleshooting >> B166F-Right Trailer Tow Lamp Control Circuit Low >> Circuit Schematic
April 5, 2026: LEMON Manuals is launched! Read the announcement.

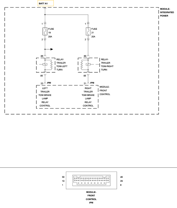
Circuit Schematic

Fig 1: Trailer Tow Lamp Control Low Circuit Schematic
GC0120119Courtesy of CHRYSLER LLC