LEMON Manuals: Even more car manuals for everyone: 1960-2025
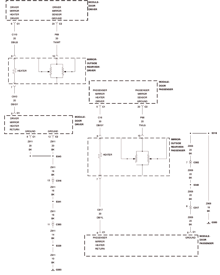
Home >> Jeep >> 2009 >> Commander Overland, RWD >> Repair and Diagnosis (Single Page) >> Body & Frame >> Windows >> Driver Door Module (DDM) - Electrical Diagnostics >> DTC Troubleshooting >> B1D35-Driver Mirror Heater Control Circuit Open >> Circuit Schematic
April 5, 2026: LEMON Manuals is launched! Read the announcement.

Circuit Schematic

Fig 1: Driver Mirror Heater Driver Circuit Schematic
GC0119914Courtesy of CHRYSLER LLC