LEMON Manuals: Even more car manuals for everyone: 1960-2025
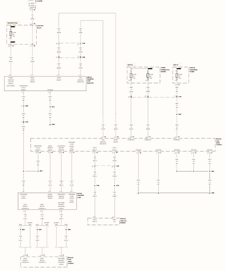
Home >> Jeep >> 2009 >> Commander Overland, RWD >> Repair and Diagnosis (Single Page) >> Transmission >> Transfer Case >> (Final Drive Control Module (FDCM) - Electrical Diagnostics) >> DTC Troubleshooting >> C1404-Transfer Case Range Position Sensor Circuit Low >> Circuit Schematic
April 5, 2026: LEMON Manuals is launched! Read the announcement.

Circuit Schematic

Fig 1: Mode Select Circuit & Drivetrain 5 Volt Supply Circuit Schematic
GC0120011Courtesy of CHRYSLER LLC