LEMON Manuals: Even more car manuals for everyone: 1960-2025
Home >> Jeep >> 2009 >> Compass Limited, ED3, AWD, Standard >> Repair and Diagnosis (Single Page) >> Accessories & Equipment >> Communication Devices >> Can Communication System - Non-DTC Diagnostics >> Diagnosis And Testing >> No Response From Pcm (Powertrain Control Module) (GPEC) >> Notes
April 5, 2026: LEMON Manuals is launched! Read the announcement.

No Response From Pcm (Powertrain Control Module) (GPEC): Notes

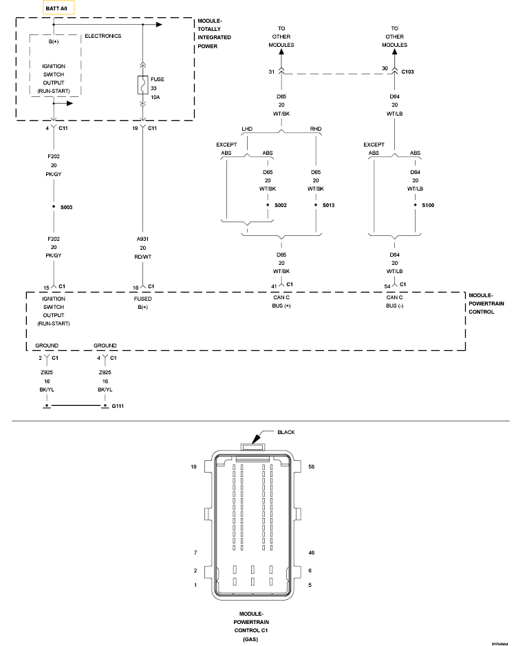
Fig 1: PCM Circuit
GC0100541Courtesy of CHRYSLER LLC

For complete wiring diagrams, refer to:

Possible Causes 
(A931) FUSED B(+) CIRCUIT OPEN OR SHORTED
(Z925) GROUND CIRCUIT OPEN
(F202) IGNITION SW OUTPUT CIRCUIT OPEN OR SHORTED
(D65) CAN C BUS (+) CIRCUIT OPEN
(D64) CAN C BUS (-) CIRCUIT OPEN
POWERTRAIN CONTROL MODULE