LEMON Manuals: Even more car manuals for everyone: 1960-2025
Home >> Jeep >> 2009 >> Compass Limited, ED3, AWD, Standard >> Repair and Diagnosis (Single Page) >> Engine Performance >> System >> DTCS P2017 To P2123 (Gas) >> P2123-Accelerator Pedal Position Sensor 1 Circuit High >> Notes
April 5, 2026: LEMON Manuals is launched! Read the announcement.

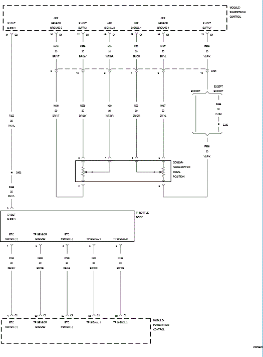
P2123-Accelerator Pedal Position Sensor 1 Circuit High: Notes

Fig 1: Throttle Position Sensor Circuit
GC0099767Courtesy of CHRYSLER LLC