LEMON Manuals: Even more car manuals for everyone: 1960-2025
Home >> Jeep >> 2011 >> Compass Base, 2.0 A, Standard >> Repair and Diagnosis (Single Page) >> Accessories & Equipment >> Communication Devices >> Communication - Non-DTC Based Diagnostics >> Diagnosis and Testing >> No Response From WCM (Sentry Key Remote Entry Module) >> Notes
April 5, 2026: LEMON Manuals is launched! Read the announcement.

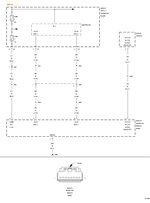
No Response From WCM (Sentry Key Remote Entry Module): Notes

Fig 1: Sentry Key Remote Entry Module Circuit Schematic
GC0100564Courtesy of CHRYSLER LLC

For a complete wiring diagram, refer to appropriate SYSTEM WIRING DIAGRAMS article  .