LEMON Manuals: Even more car manuals for everyone: 1960-2025
Home >> Jeep >> 2011 >> Compass Base, 2.0 A, Standard >> Repair and Diagnosis (Single Page) >> Engine Performance >> System >> Cabin Compartment Node (CCN) - Electrical Diagnostics >> DTC Troubleshooting >> U0161-Lost Communication With Compass Module >> Notes
April 5, 2026: LEMON Manuals is launched! Read the announcement.

U0161-Lost Communication With Compass Module: Notes

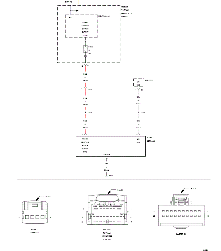
Fig 1: Compass Module Wiring Diagram
GC0138284Courtesy of CHRYSLER LLC

For a complete wiring diagram, refer to appropriate SYSTEM WIRING DIAGRAMS article  .