LEMON Manuals: Even more car manuals for everyone: 1960-2025
Home >> Jeep >> 2011 >> Liberty Renegade, Part Time >> Repair and Diagnosis (Single Page) >> Body & Frame >> Seats >> Memory Seat Module (MSMD) - Electrical Diagnostics >> DTC Troubleshooting >> U0011-00-Can Interior Bus Off Performance >> Notes
April 5, 2026: LEMON Manuals is launched! Read the announcement.

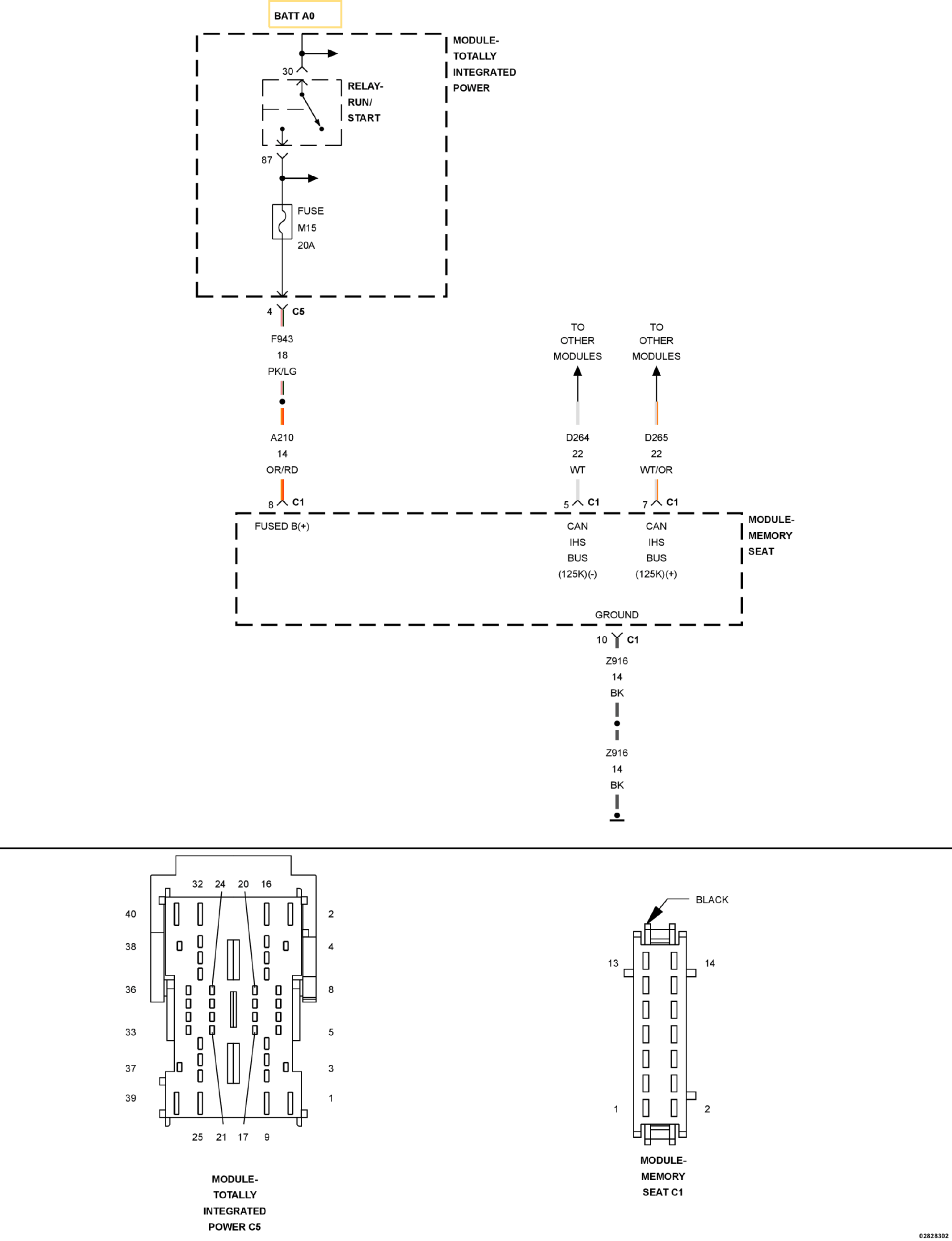
U0011-00-Can Interior Bus Off Performance: Notes

Fig 1: Memory Seat Module Wiring Diagram
GC0151180Courtesy of CHRYSLER LLC

For a complete wiring diagram, refer to appropriate SYSTEM WIRING DIAGRAMS article  .