LEMON Manuals: Even more car manuals for everyone: 1960-2025
Home >> Jeep >> 2011 >> Liberty Renegade, Part Time >> Repair and Diagnosis (Single Page) >> Engine Performance >> System >> 3.7L - DTCS P0016 To P0205 >> Diagnosis and Testing >> P0140-O2 Sensor 1/2 No Activity Detected >> Notes
April 5, 2026: LEMON Manuals is launched! Read the announcement.

P0140-O2 Sensor 1/2 No Activity Detected: Notes

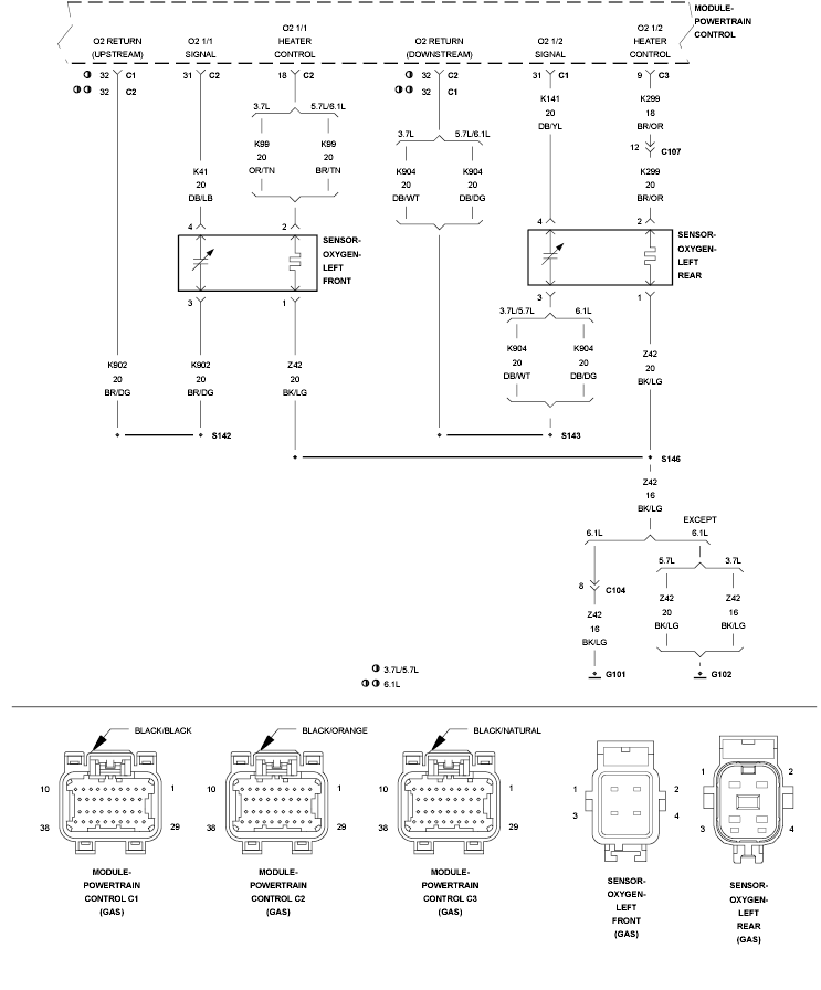
Fig 1: Left-Front & Left-Rear O2 Sensors Circuit Schematic
GC0138450Courtesy of CHRYSLER LLC

For a complete wiring diagram, refer to appropriate SYSTEM WIRING DIAGRAMS article  .