LEMON Manuals: Even more car manuals for everyone: 1960-2025
Home >> Jeep >> 2011 >> Liberty Renegade, Part Time >> Repair and Diagnosis (Single Page) >> Transmission >> Automatic Trans >> Powertrain Control Module (Pcm) - Electrical Diagnostics - 42RLE Automatic Transmission >> DTC Troubleshooting >> P0934-Line Pressure Sensor Circuit Low >> Notes
April 5, 2026: LEMON Manuals is launched! Read the announcement.

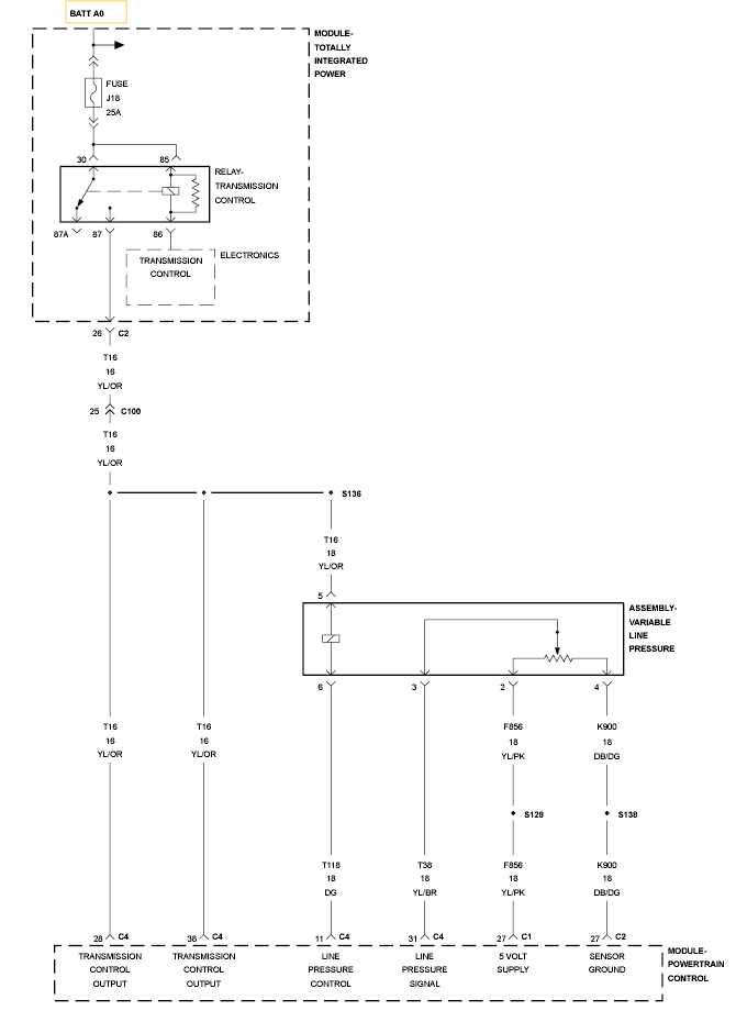
P0934-Line Pressure Sensor Circuit Low: Notes

Fig 1: Line Pressure Sensor Wiring Diagram
GC0102099Courtesy of CHRYSLER LLC

For a complete wiring diagram, refer to appropriate SYSTEM WIRING DIAGRAMS article  .