LEMON Manuals: Even more car manuals for everyone: 1960-2025
Home >> Jeep >> 2012 >> Compass Limited, AWD, Standard >> Repair and Diagnosis >> External Pages >> Different car >> Section 100 (Telematics Gateway Module - Electrical Diagnostics) >> DTC Troubleshooting >> B1400-11-Front Left Audio Speaker Output - Circuit Short To Ground - Base >> Notes
April 5, 2026: LEMON Manuals is launched! Read the announcement.

B1400-11-Front Left Audio Speaker Output - Circuit Short To Ground - Base: Notes

WARNING: This page is about a different car, the 2012 Chrysler 300. However, it is still accessible from the selected car via links, so may be relevant.
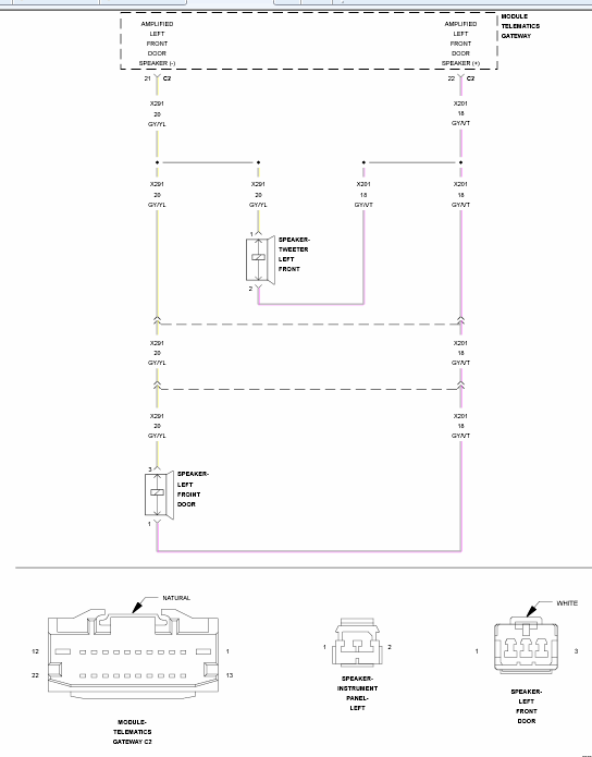
Fig 1: Telematics Gateway Circuit Wiring Diagram
GC0142002Courtesy of CHRYSLER GROUP, LLC

For a complete wiring diagram, refer to appropriate SYSTEM WIRING DIAGRAMS article  .

NOTE:

There are two versions of the B1400-11 DTC test. In order to select the proper test you must know if the vehicle is equipped with an Amplifier. If the vehicle is equipped with an Amplifier use the B1400-11-PREMIUM test. If the vehicle is not equipped with an Amplifier use the B1400-11-BASE test.