LEMON Manuals: Even more car manuals for everyone: 1960-2025
Home >> Jeep >> 2012 >> Wrangler Sahara, Automatic Trans >> Repair and Diagnosis >> Transmission >> Automatic Trans >> Transmission Control Module (TCM) - Electrical Diagnostics >> DTC Troubleshooting >> P0604-Internal Control Module Ram >> Notes
April 5, 2026: LEMON Manuals is launched! Read the announcement.

P0604-Internal Control Module Ram: Notes

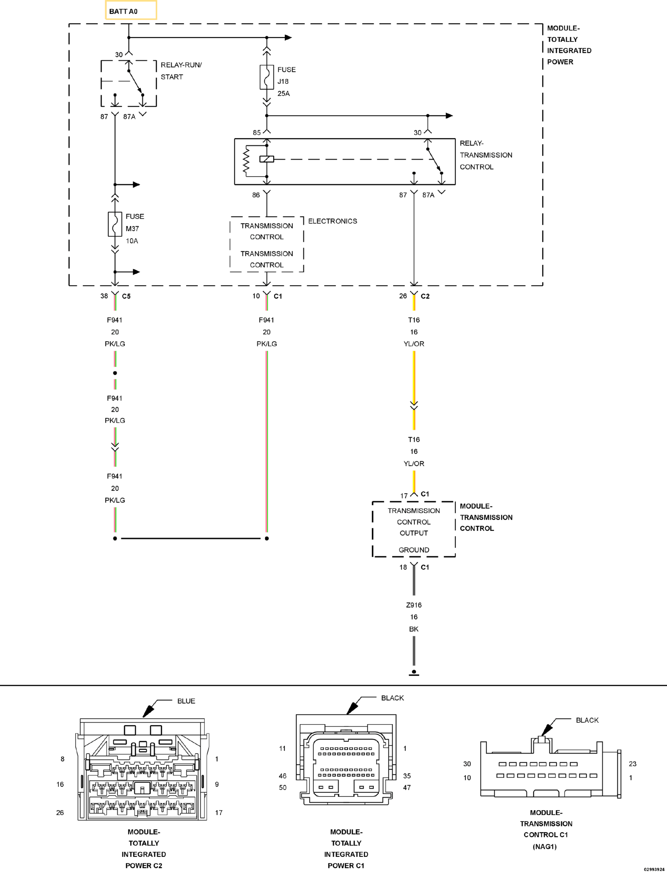
Fig 1: Transmission Control Module Circuit Wiring Diagram
GC0149328Courtesy of CHRYSLER GROUP, LLC

For a complete wiring diagram, refer to appropriate SYSTEM WIRING DIAGRAMS article  .