LEMON Manuals: Even more car manuals for everyone: 1960-2025
Home >> Jeep >> 2013 >> Compass Limited, AWD, Trans Mfr CD CVT2 >> Repair and Diagnosis (Single Page) >> Engine Performance >> System >> DRIVEABILITY - Gas - Non-DTC Based Diagnostics >> Diagnosis And Testing >> Checking The Cooling Fan Performance >> Notes
April 5, 2026: LEMON Manuals is launched! Read the announcement.

Checking The Cooling Fan Performance: Notes

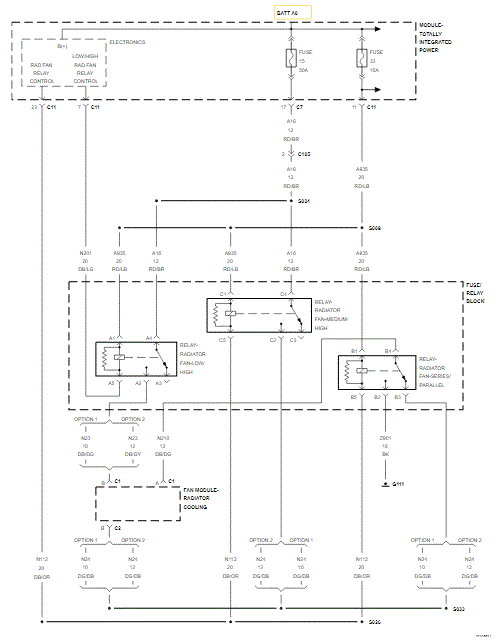
Fig 1: Radiator Cooling Fan Relays & Radiator Cooling Fan Module Wiring Diagram
GC0099528Courtesy of CHRYSLER GROUP, LLC

For a complete wiring diagram, refer to appropriate SYSTEM WIRING DIAGRAMS article  .