LEMON Manuals: Even more car manuals for everyone: 1960-2025
Home >> Jeep >> 2017 >> Wrangler Rubicon, Automatic Trans >> Repair and Diagnosis (Single Page) >> Accessories & Equipment >> Communication Devices >> Communication - Non-DTC Based Diagnostics >> Diagnosis And Testing >> No Response From Pcm (Powertrain Control Module) (Diesel) >> Notes
April 5, 2026: LEMON Manuals is launched! Read the announcement.

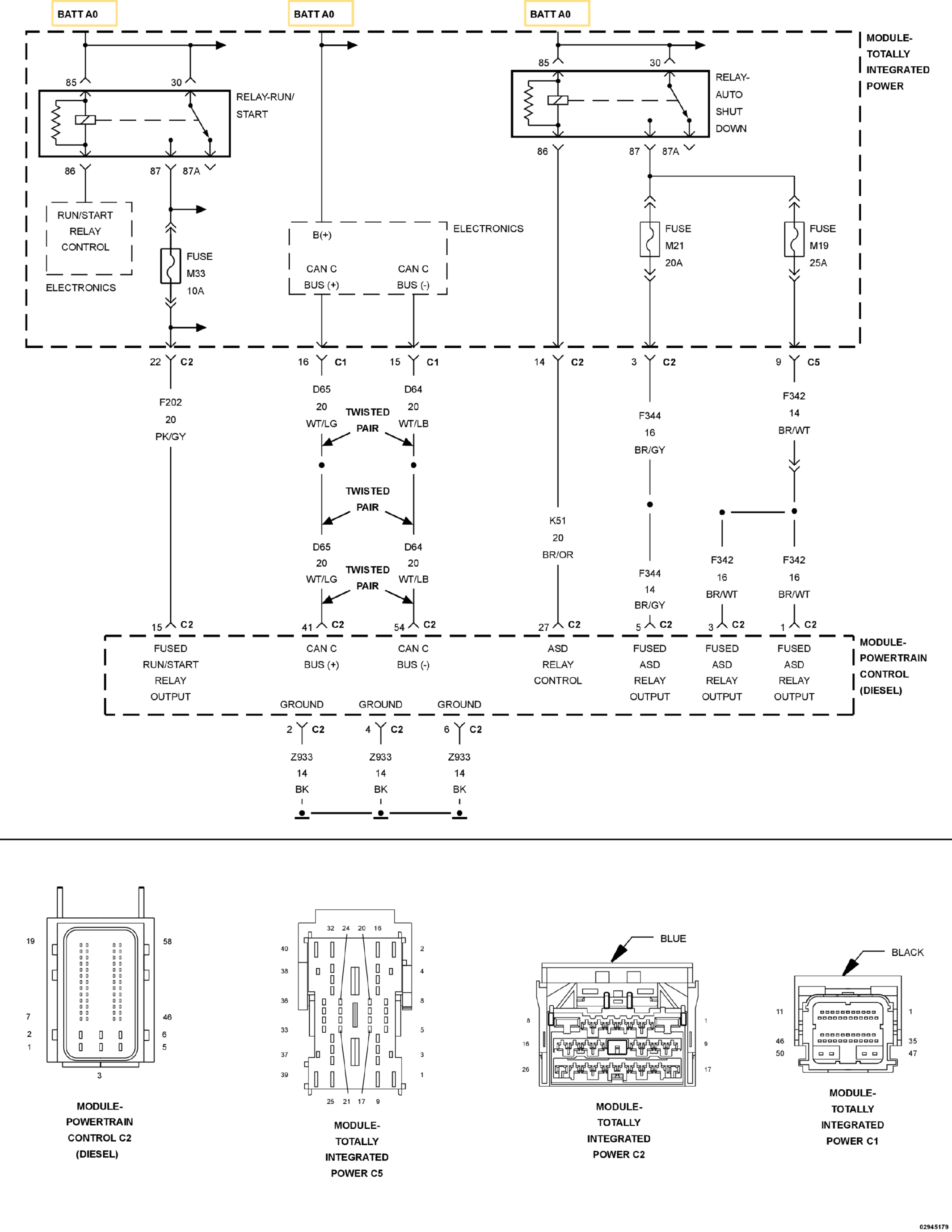
No Response From Pcm (Powertrain Control Module) (Diesel): Notes

GC0151756Courtesy of CHRYSLER GROUP, LLC

For a complete wiring diagram, refer to appropriate SYSTEM WIRING DIAGRAMS article  .