LEMON Manuals: Even more car manuals for everyone: 1960-2025
Home >> Jeep >> 2021 >> Grand Cherokee SRT >> Repair and Diagnosis (Single Page) >> Accessories & Equipment >> Drivers Assistance Systems - ADAS >> Electronic Control Modules (Service Information) >> Module, Powertrain Control (Pcm) >> Installation >> Gas
April 5, 2026: LEMON Manuals is launched! Read the announcement.

Module, Powertrain Control (Pcm): Installation: Gas

CAUTION:

Certain ABS systems rely on having the Powertrain Control Module (PCM) broadcast the Vehicle Identification Number (VIN) over the bus network. To prevent problems of DTCs and other items related to the VIN broadcast, it is recommend that you disconnect the ABS CAB (controller) temporarily when replacing the PCM. Once the PCM is replaced, write the VIN to the PCM using a diagnostic scan tool. This is done from the engine main menu. Arrow over to the second page to "1. Miscellaneous". Select "Check VIN" from the choices. Make sure it has the correct VIN entered before continuing. When the VIN is complete, turn off the ignition key and reconnect the ABS module connector. This will prevent the setting of DTCs and other items associated with the lack of a VIN detected when you turn the key ON after replacing the PCM.

CAUTION:

Use a diagnostic scan tool to reprogram the new PCM with the vehicles original identification number (VIN) and the vehicles original mileage. If this step is not done, a Diagnostic Trouble Code (DTC) may be set.

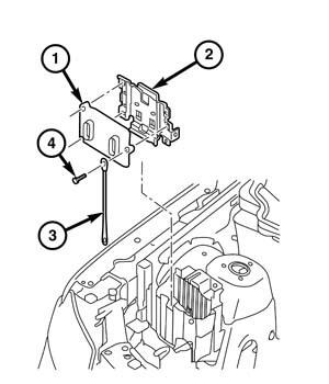
GC0157457Courtesy of CHRYSLER GROUP, LLC
  1. Position the Powertrain Control Module (PCM) (1) and ground strap (3) onto the mounting bracket (2), located on the Power Distribution Center (PDC) Assembly.
  2. Install and securely tighten the PCM retaining screws (4) to 9 N. m (80 in. lbs).
  3. Inspect the PCM pins and connectors for any corrosion or damage. Repair as necessary.
  4. Connect the PCM wiring harness connectors.
    GC0145484Courtesy of CHRYSLER GROUP, LLC
  5. Install the pressurized coolant bottle. Refer to BOTTLE, PRESSURIZED COOLANT, INSTALLATION .
  6. Install and securely tighten the negative battery cable (2) onto the battery terminal (1).
    NOTE:

    If the original Vehicle Identification Number (VIN) and original vehicle mileage is not programmed into the PCM, a Diagnostic Trouble Code (DTC) may set.

  7. If installing a new PCM, use a scan tool and program the new PCM with the VIN and mileage of the vehicle. Refer to MODULE, POWERTRAIN CONTROL (PCM), MODULE PROGRAMMING .