LEMON Manuals: Even more car manuals for everyone: 1960-2025
Home >> Jeep >> 2021 >> Renegade Trailhawk >> Repair and Diagnosis (Single Page) >> Accessories & Equipment >> Drivers Assistance Systems - ADAS >> Electronic Control Modules (Service Information) >> Module, Adaptive Cruise Control (Acc) >> Description And Operation >> Operation
April 5, 2026: LEMON Manuals is launched! Read the announcement.

Description And Operation: Operation

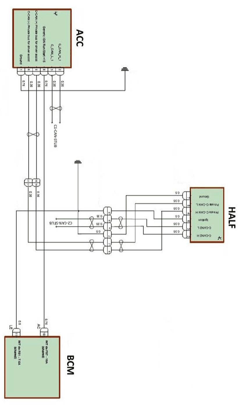
GC0169563Courtesy of CHRYSLER GROUP, LLC

ACC+ / HALF+ system wiring diagram 

The hardwired inputs for the ACC module may be diagnosed using conventional diagnostic tools and procedures. Refer to the appropriate wiring information. However, conventional diagnostic methods will not prove conclusive in the diagnosis of the ACC module or the electronic controls or communication between other modules and devices that provide features of the ACC and FCW system features. The most reliable, efficient, and accurate means to diagnose the ACC module or the electronic controls and communication related to ACC or FCW system operation requires the use of a diagnostic scan tool. Refer to the appropriate diagnostic information.