LEMON Manuals: Even more car manuals for everyone: 1960-2025
Home >> Jeep >> 2024 >> Gladiator Nighthawk, Part Time T/Case Control, Automatic Trans >> Repair and Diagnosis (Single Page) >> Engine Performance >> System >> 3.6L (GPEC 5) - DTCS P258A To P2AF9 >> DTC Troubleshooting >> P258A Electronic Vacuum Pump Circuit >> Component Functional Description And Diagnostic Overview - EVP Relay
April 5, 2026: LEMON Manuals is launched! Read the announcement.

Component Functional Description And Diagnostic Overview - EVP Relay

Functional Operation of the EVP Relay:  Depending on the type of relay being used for the EVP, the approximate resistance of the relay coil should be:

NOTE:

The coil resistance of a relay or solenoid can vary based on factors like temperature or age of the component. Typically a 10% variance is allowed on a new component at room temperature. Therefore, do not always assume that a component that is measuring slightly outside of the tolerance given is faulty. A faulty component usually will be noticeably out of tolerance.

Diagnostic Overview:  With the ignition on and the relay commanded off  , battery voltage should be present at the EVP Relay Control circuit at the PDC output.

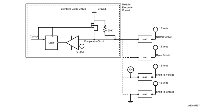
Typical Low Side Driver Operation and Fault Detection:  This type of driver circuit is generally used for relay control, solenoid control or a similar type of driver device. The PCM provides a ground to operate the device when switched on. The ground could be constant or Pulse Width Modulated (PWM). The PCM also provides fault detection for the device, wiring and internal driver. Fault detection can be done by monitoring voltage on the circuit, current draw, or a combination of both. For diagnostic purposes the PCM uses an internal pull down diagnostic resistor connected in series and a voltage reference (V-Ref) comparator for fault detection:

NOTE:

A load that has a resistance that is below manufacturer specification, or a second load device shorted to the low side driver circuit can cause excessive current draw on the internal driver. The driver will be switched off to protect against overheating and damaging the driver. In this instance the Circuit High fault may be detected because the available voltage on the comparator circuit is above V-Ref.