LEMON Manuals: Even more car manuals for everyone: 1960-2025
Home >> Kia >> 2000 >> Spectra GSX L4-1.8L >> Repair and Diagnosis >> Diagrams >> Exploded Views >> Timing Components >> Timing Belt
April 5, 2026: LEMON Manuals is launched! Read the announcement.

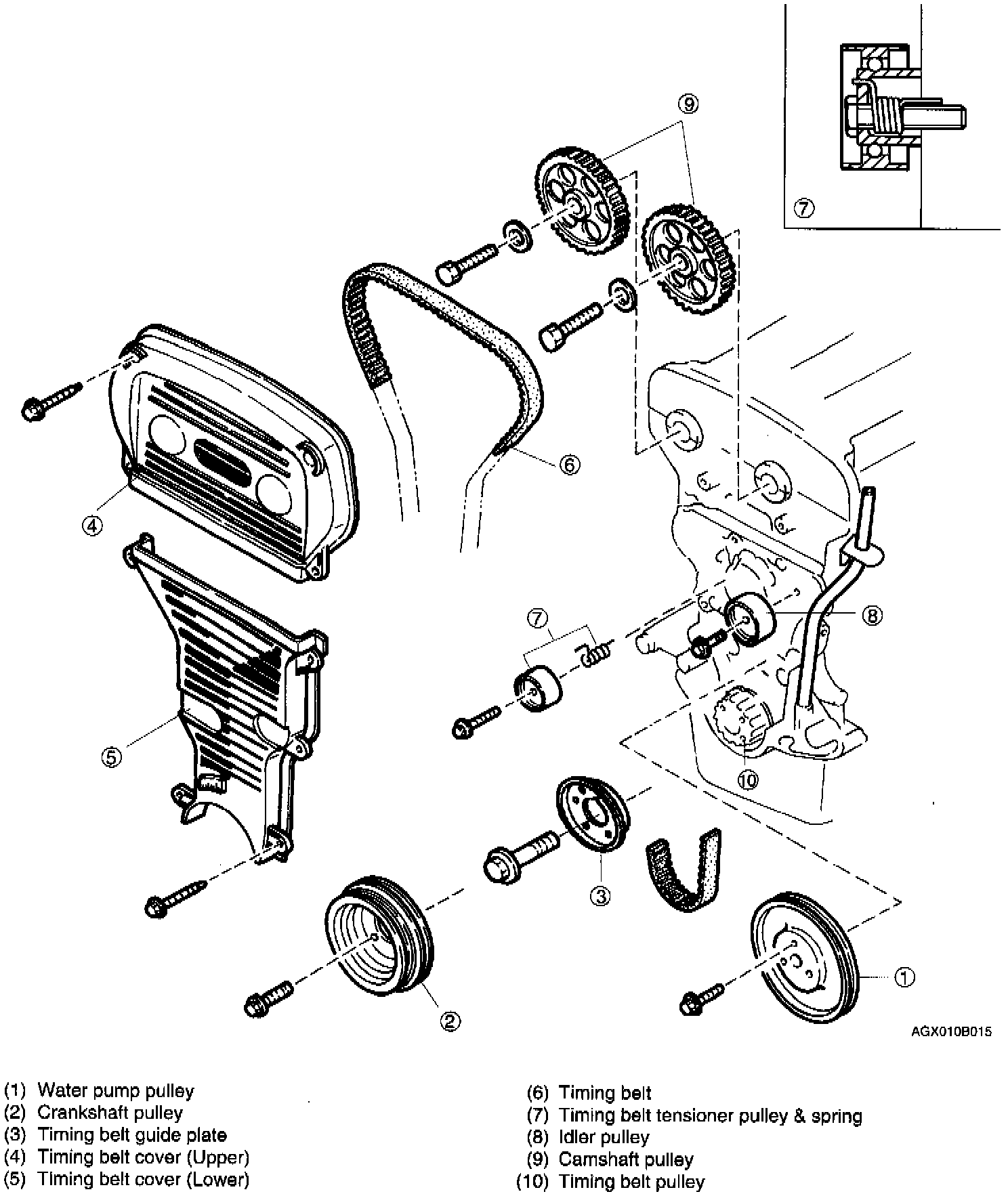
Timing Belt