LEMON Manuals: Even more car manuals for everyone: 1960-2025
Home >> Kia >> 2003 >> Sorento V6-3.5L >> Repair and Diagnosis >> Diagrams >> Exploded Views >> Power Steering Pump
April 5, 2026: LEMON Manuals is launched! Read the announcement.

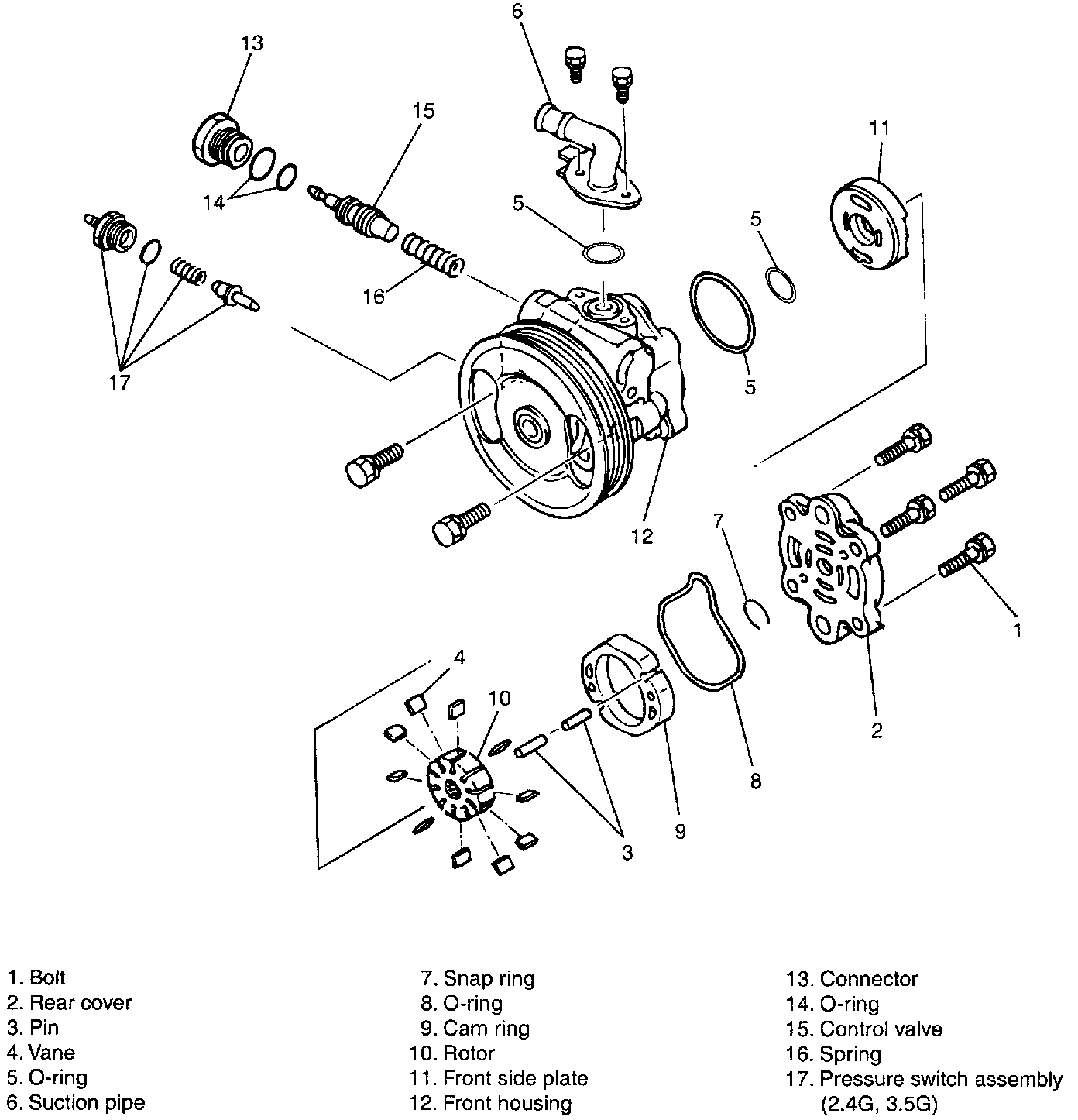
Power Steering Pump

POWER STEERING OIL PUMP
COMPONENTS